MH 350-9 LM (113727)

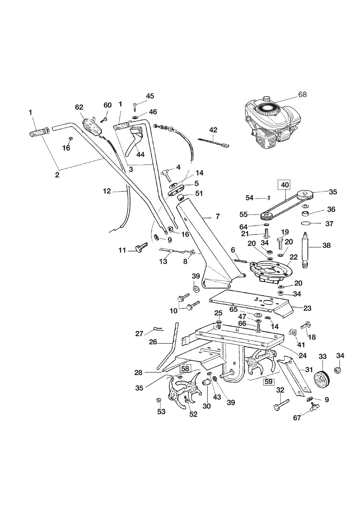
Zeichnung AL-KO Motorhacken MH 350-9 LM (113727):

Zeichnung 1

Sollten Sie Fragen zu einem Ersatzteil haben, können Sie uns gerne eine Ersatzteilanfrage stellen.

Hier finden Sie alle Ersatzteile für AL-KO Motorhacken MH 350-9 LM (113727):

Artikel 1 - 40 von 53


Artikel 1 - 40 von 53