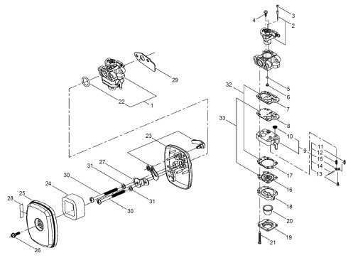
Luftfilter, Vergaser WYL-84A

Zeichnung von shindaiwa Motorsensen T-Serie,Motorsensen mit Rundgriff T220 Luftfilter, Vergaser WYL-84A:

Klicken Sie auf diese Zeichnung

Sollten Sie Fragen zu einem Ersatzteil haben, können Sie uns gerne eine Ersatzteilanfrage stellen.

Hier finden Sie alle Ersatzteile von shindaiwa Motorsensen T-Serie,Motorsensen mit Rundgriff T220:
Artikel 1 - 20 von 30


Artikel 1 - 20 von 30