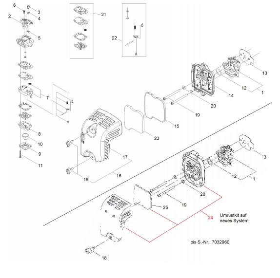
Luftfilter, Vergaser WYL-208B

Zeichnung von shindaiwa Motorsensen C-Serie, Motorsensen mit U-Griff C3410-EC2 Luftfilter, Vergaser WYL-208B:

Klicken Sie auf diese Zeichnung

Sollten Sie Fragen zu einem Ersatzteil haben, können Sie uns gerne eine Ersatzteilanfrage stellen.

Hier finden Sie alle Ersatzteile von shindaiwa Motorsensen C-Serie, Motorsensen mit U-Griff C3410-EC2:
Artikel 1 - 20 von 23


Artikel 1 - 20 von 23