Lenkung

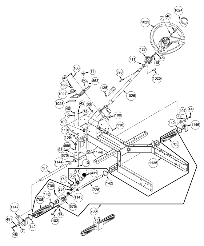
Zeichnung von AS-Motor Aufsitzmäher AS 900 Enduro ab FNr. 033520020001:

Klicken Sie auf diese Zeichnung

Sollten Sie Fragen zu einem Ersatzteil haben, können Sie uns gerne eine Ersatzteilanfrage stellen.

Hier finden Sie alle Ersatzteile von AS-Motor Aufsitzmäher AS 900 Enduro ab FNr. 033520020001 aus dem Zeichnungsblatt Lenkung:
Artikel 41 - 45 von 45

25,92 € *
Lieferzeit: 2 - 10 Werktage
4,53 € *
Lieferzeit: 2 - 10 Werktage
176,45 € *
Lieferzeit: 2 - 10 Werktage
81,98 € *
Lieferzeit: 2 - 10 Werktage
4,53 € *
Lieferzeit: 2 - 10 Werktage

Artikel 41 - 45 von 45