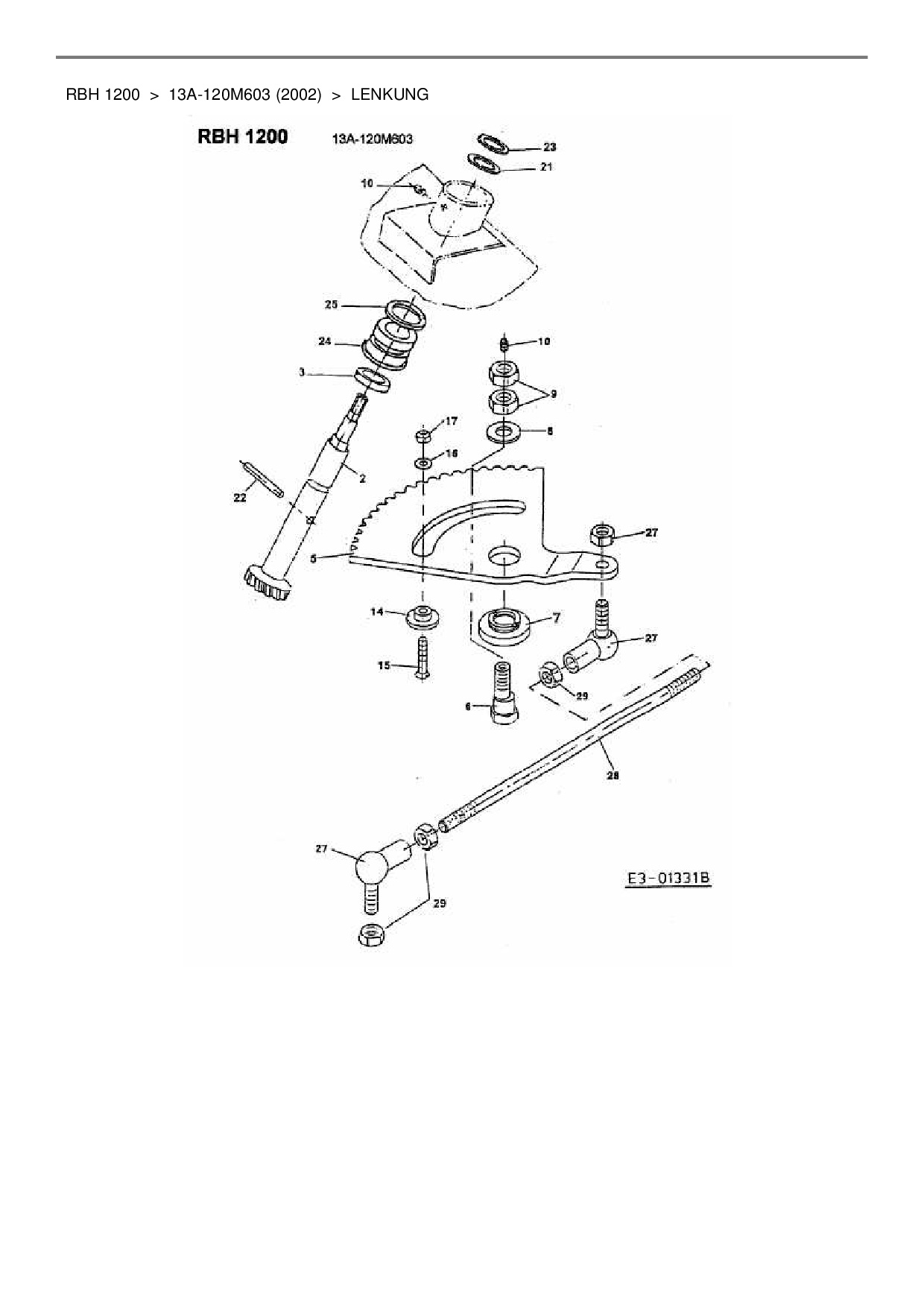
Lenkung

Zeichnung für Cub Cadet Rasentraktor RBH 1200 mit der Geräte-Artikelnr. 13A-120M603 ab Baujahr 2002:

Zeichnung Lenkung

Die Ersatzteil-Zeichnung für Rasentraktor Cub Cadet RBH 1200 als Download:
Download Ersatzteil-Zeichnung Cub Cadet RBH 1200 Zeichnung Lenkung (PDF-Format)
Download Ersatzteil-Zeichnung Cub Cadet RBH 1200 Zeichnung Lenkung (JPG-Format)

Sollten Sie Fragen zu einem Ersatzteil haben, können Sie uns gerne eine E-Mail (mit einem Foto vom Typenschild Ihres Gerätes) schreiben oder eine Ersatzteilanfrage stellen.

Ersatzteile für Rasentraktor Cub Cadet RBH 1200 aus der Zeichnung Lenkung:
Artikel 1 - 7 von 7

4,65 € *
Lieferzeit: 2 - 10 Werktage
4,65 € *
Lieferzeit: 2 - 10 Werktage
28,36 € *
Lieferzeit: 2 - 10 Werktage
9,88 € *
Lieferzeit: 2 - 10 Werktage
123,00 € *
Lieferzeit: 2 - 10 Werktage
21,62 € *
Lieferzeit: 2 - 10 Werktage
259,12 € *
Lieferzeit: 2 - 10 Werktage

Artikel 1 - 7 von 7