Lenkung

Zeichnung für Cub Cadet Rasentraktor CC 714 TE mit der Geräte-Artikelnr. 13B277DE603 ab Baujahr 2014:

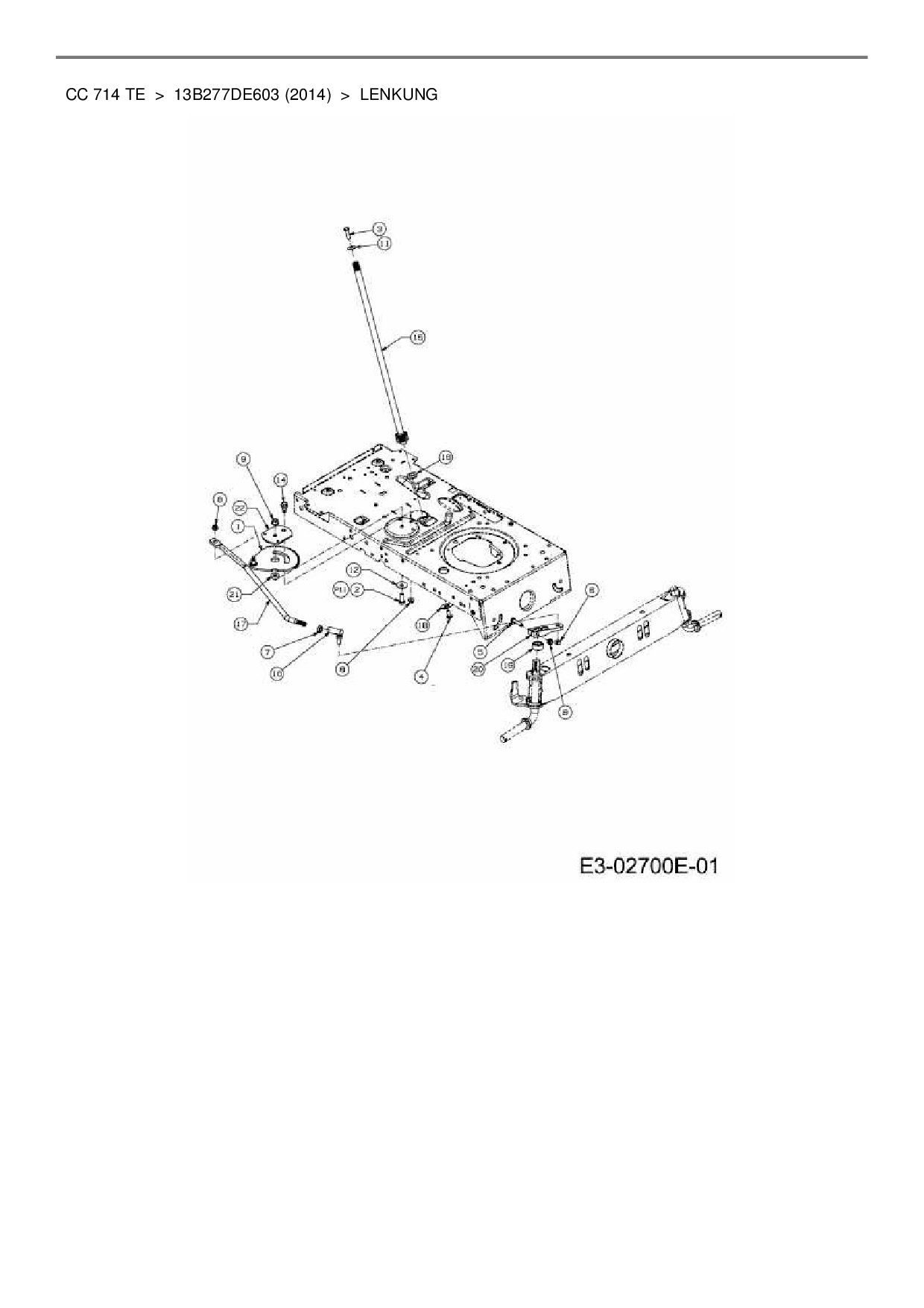
Zeichnung Lenkung

Die Ersatzteil-Zeichnung für Rasentraktor Cub Cadet CC 714 TE als Download:
Download Ersatzteil-Zeichnung Cub Cadet CC 714 TE Zeichnung Lenkung (PDF-Format)
Download Ersatzteil-Zeichnung Cub Cadet CC 714 TE Zeichnung Lenkung (JPG-Format)

Sollten Sie Fragen zu einem Ersatzteil haben, können Sie uns gerne eine E-Mail (mit einem Foto vom Typenschild Ihres Gerätes) schreiben oder eine Ersatzteilanfrage stellen.

Ersatzteile für Rasentraktor Cub Cadet CC 714 TE aus der Zeichnung Lenkung:
Artikel 1 - 20 von 21

54,40 € *
Lieferzeit: 2 - 10 Werktage
5,88 € *
Lieferzeit: 2 - 10 Werktage
5,88 € *
Lieferzeit: 2 - 10 Werktage
7,88 € *
Lieferzeit: 2 - 10 Werktage
5,88 € *
Lieferzeit: 2 - 10 Werktage
5,88 € *
Lieferzeit: 2 - 10 Werktage
5,88 € *
Lieferzeit: 2 - 10 Werktage
5,92 € *
Lieferzeit: 2 - 10 Werktage
5,88 € *
Lieferzeit: 2 - 10 Werktage
29,04 € *
Lieferzeit: 2 - 10 Werktage
5,88 € *
Lieferzeit: 2 - 10 Werktage
5,88 € *
Lieferzeit: 2 - 10 Werktage
6,88 € *
Lieferzeit: 2 - 10 Werktage
55,72 € *
Lieferzeit: 2 - 10 Werktage
6,88 € *
Lieferzeit: 2 - 10 Werktage
25,26 € *
Lieferzeit: 2 - 10 Werktage
4,88 € *
Lieferzeit: 2 - 10 Werktage
6,88 € *
Lieferzeit: 2 - 10 Werktage

Artikel 1 - 20 von 21