Lenkung

Zeichnung für Cub Cadet Rasentraktor CC 513 HF mit der Geräte-Artikelnr. 13H2795F603 ab Baujahr 2016:

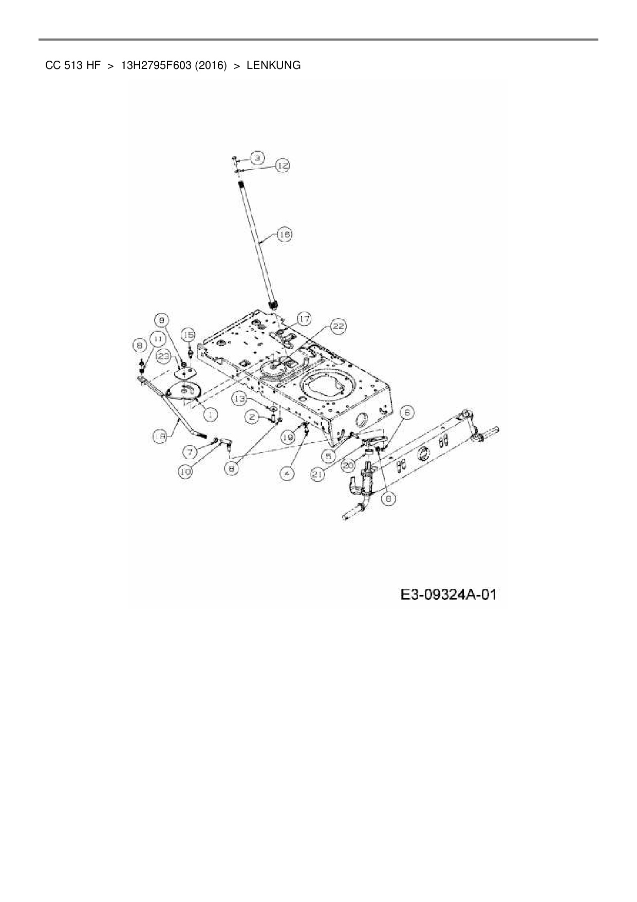
Zeichnung Lenkung

Die Ersatzteil-Zeichnung für Rasentraktor Cub Cadet CC 513 HF als Download:
Download Ersatzteil-Zeichnung Cub Cadet CC 513 HF Zeichnung Lenkung (PDF-Format)
Download Ersatzteil-Zeichnung Cub Cadet CC 513 HF Zeichnung Lenkung (JPG-Format)

Sollten Sie Fragen zu einem Ersatzteil haben, können Sie uns gerne eine E-Mail (mit einem Foto vom Typenschild Ihres Gerätes) schreiben oder eine Ersatzteilanfrage stellen.

Ersatzteile für Rasentraktor Cub Cadet CC 513 HF aus der Zeichnung Lenkung:
Artikel 1 - 20 von 22

54,40 € *
Lieferzeit: 2 - 10 Werktage
5,88 € *
Lieferzeit: 2 - 10 Werktage
5,88 € *
Lieferzeit: 2 - 10 Werktage
7,88 € *
Lieferzeit: 2 - 10 Werktage
5,88 € *
Lieferzeit: 2 - 10 Werktage
5,88 € *
Lieferzeit: 2 - 10 Werktage
5,88 € *
Lieferzeit: 2 - 10 Werktage
5,92 € *
Lieferzeit: 2 - 10 Werktage
5,88 € *
Lieferzeit: 2 - 10 Werktage
29,04 € *
Lieferzeit: 2 - 10 Werktage
6,88 € *
Lieferzeit: 2 - 10 Werktage
5,88 € *
Lieferzeit: 2 - 10 Werktage
5,88 € *
Lieferzeit: 2 - 10 Werktage
6,88 € *
Lieferzeit: 2 - 10 Werktage
55,72 € *
Lieferzeit: 2 - 10 Werktage
6,88 € *
Lieferzeit: 2 - 10 Werktage
28,05 € *
Lieferzeit: 2 - 10 Werktage
4,88 € *
Lieferzeit: 2 - 10 Werktage

Artikel 1 - 20 von 22