Lenkung

Zeichnung für Raiffeisen Rasentraktor RMH 7175-105 H mit der Geräte-Artikelnr. 13AN717N628 ab Baujahr 2012:

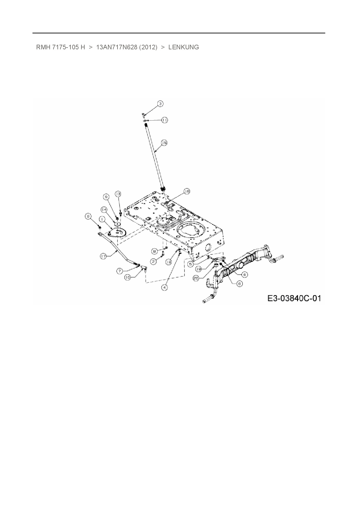
Zeichnung Lenkung

Die Ersatzteil-Zeichnung für Rasentraktor Raiffeisen RMH 7175-105 H als Download:
Download Ersatzteil-Zeichnung Raiffeisen RMH 7175-105 H Zeichnung Lenkung (PDF-Format)
Download Ersatzteil-Zeichnung Raiffeisen RMH 7175-105 H Zeichnung Lenkung (JPG-Format)

Sollten Sie Fragen zu einem Ersatzteil haben, können Sie uns gerne eine E-Mail (mit einem Foto vom Typenschild Ihres Gerätes) schreiben oder eine Ersatzteilanfrage stellen.

Ersatzteile für Rasentraktor Raiffeisen RMH 7175-105 H aus der Zeichnung Lenkung:
Artikel 1 - 19 von 19

5,88 € *
Lieferzeit: 2 - 10 Werktage
29,04 € *
Lieferzeit: 2 - 10 Werktage
6,88 € *
Lieferzeit: 2 - 10 Werktage
6,88 € *
Lieferzeit: 2 - 10 Werktage
27,20 € *
Lieferzeit: 2 - 10 Werktage

Artikel 1 - 19 von 19