Lenkung

Zeichnung für MTD Rasentraktor Optima LG 155 mit der Geräte-Artikelnr. 13HM77KG678 ab Baujahr 2015:

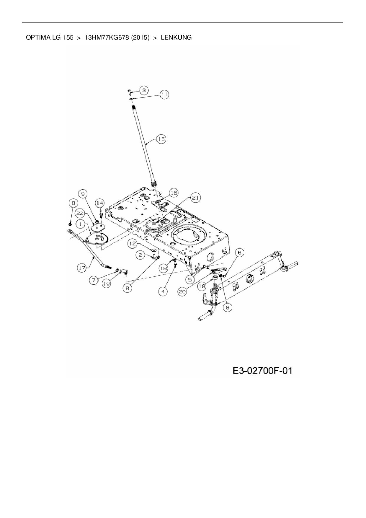
Zeichnung Lenkung

Die Ersatzteil-Zeichnung für Rasentraktor MTD Optima LG 155 als Download:
Download Ersatzteil-Zeichnung MTD Optima LG 155 Zeichnung Lenkung (PDF-Format)
Download Ersatzteil-Zeichnung MTD Optima LG 155 Zeichnung Lenkung (JPG-Format)

Sollten Sie Fragen zu einem Ersatzteil haben, können Sie uns gerne eine E-Mail (mit einem Foto vom Typenschild Ihres Gerätes) schreiben oder eine Ersatzteilanfrage stellen.

Ersatzteile für Rasentraktor MTD Optima LG 155 aus der Zeichnung Lenkung:
Artikel 1 - 10 von 21

54,40 € *
Lieferzeit: 2 - 10 Werktage
5,88 € *
Lieferzeit: 2 - 10 Werktage
5,88 € *
Lieferzeit: 2 - 10 Werktage
7,88 € *
Lieferzeit: 2 - 10 Werktage
5,88 € *
Lieferzeit: 2 - 10 Werktage
5,88 € *
Lieferzeit: 2 - 10 Werktage
5,88 € *
Lieferzeit: 2 - 10 Werktage
5,92 € *
Lieferzeit: 2 - 10 Werktage
5,88 € *
Lieferzeit: 2 - 10 Werktage
29,04 € *
Lieferzeit: 2 - 10 Werktage

Artikel 1 - 10 von 21