Lenkung

Zeichnung für Massey Ferguson Rasentraktor MF 36-15 RT mit der Geräte-Artikelnr. 13AV775E695 ab Baujahr 2009:

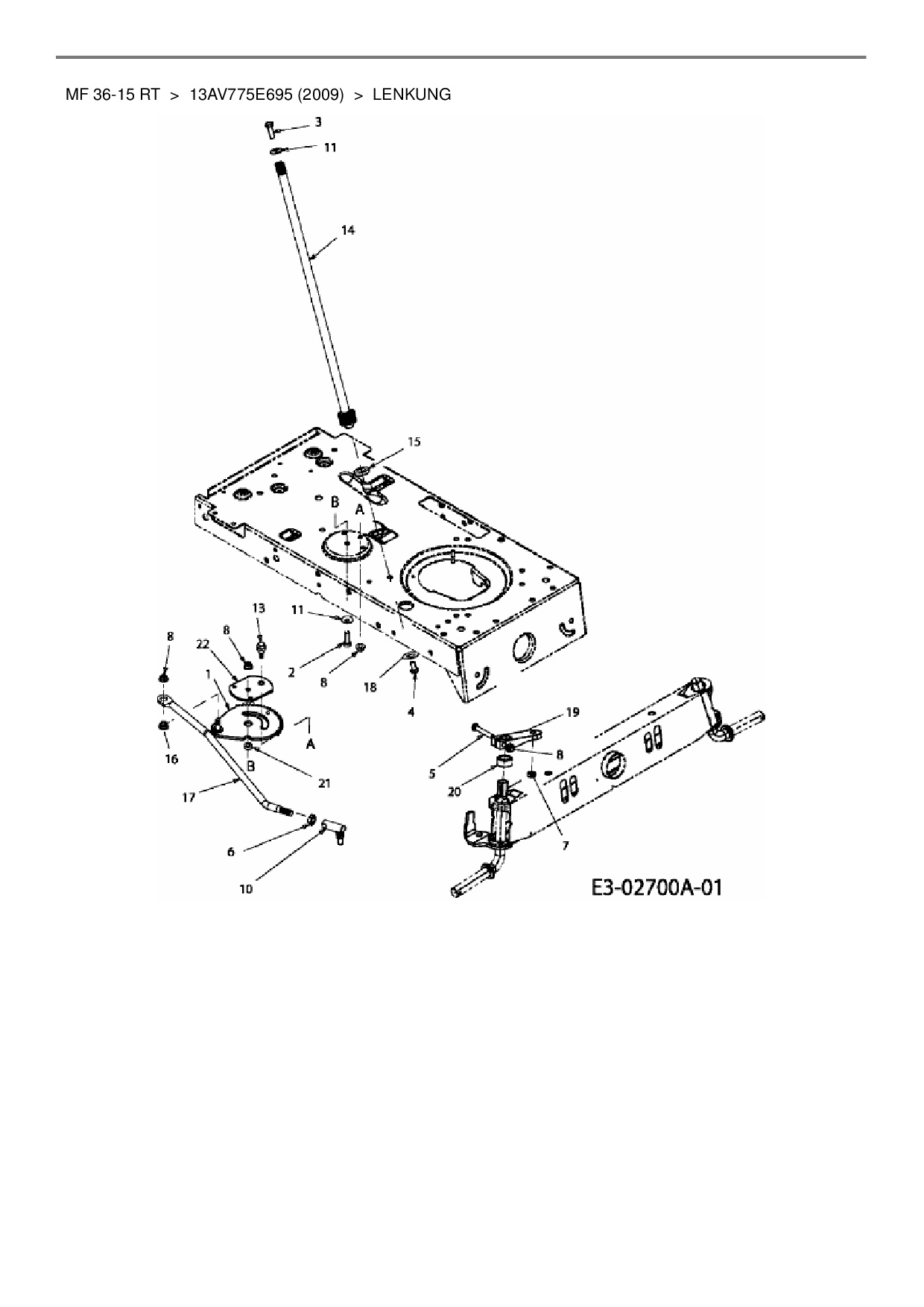
Zeichnung Lenkung

Die Ersatzteil-Zeichnung für Rasentraktor Massey Ferguson MF 36-15 RT als Download:
Download Ersatzteil-Zeichnung Massey Ferguson MF 36-15 RT Zeichnung Lenkung (PDF-Format)
Download Ersatzteil-Zeichnung Massey Ferguson MF 36-15 RT Zeichnung Lenkung (JPG-Format)

Sollten Sie Fragen zu einem Ersatzteil haben, können Sie uns gerne eine E-Mail (mit einem Foto vom Typenschild Ihres Gerätes) schreiben oder eine Ersatzteilanfrage stellen.

Ersatzteile für Rasentraktor Massey Ferguson MF 36-15 RT aus der Zeichnung Lenkung:
Artikel 1 - 20 von 20

5,88 € *
Lieferzeit: 2 - 10 Werktage
29,04 € *
Lieferzeit: 2 - 10 Werktage

Artikel 1 - 20 von 20