Lenkung

Zeichnung für Wolf-Garten Expert Rasentraktor Expert Scooter Pro Hydro mit der Geräte-Artikelnr. 13A221HD650 ab Baujahr 2016:

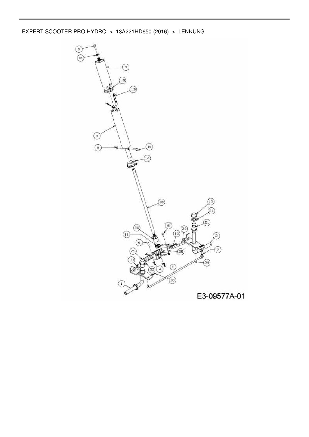
Zeichnung Lenkung

Die Ersatzteil-Zeichnung für Rasentraktor Wolf-Garten Expert Expert Scooter Pro Hydro als Download:
Download Ersatzteil-Zeichnung Wolf-Garten Expert Expert Scooter Pro Hydro Zeichnung Lenkung (PDF-Format)
Download Ersatzteil-Zeichnung Wolf-Garten Expert Expert Scooter Pro Hydro Zeichnung Lenkung (JPG-Format)

Sollten Sie Fragen zu einem Ersatzteil haben, können Sie uns gerne eine E-Mail (mit einem Foto vom Typenschild Ihres Gerätes) schreiben oder eine Ersatzteilanfrage stellen.

Ersatzteile für Rasentraktor Wolf-Garten Expert Expert Scooter Pro Hydro aus der Zeichnung Lenkung:
Artikel 1 - 24 von 24


Artikel 1 - 24 von 24