Lenkrad, Lenksäule

Zeichnung für Massey Ferguson Utility Vehicle MF 20 MD mit der Geräte-Artikelnr. 37AK468D695 ab Baujahr 2016:

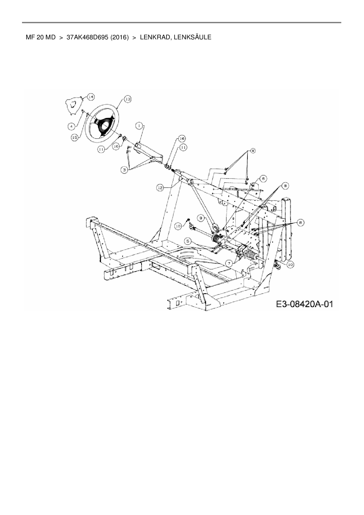
Zeichnung Lenkrad, Lenksäule

Die Ersatzteil-Zeichnung für Utility Vehicle Massey Ferguson MF 20 MD als Download:
Download Ersatzteil-Zeichnung Massey Ferguson MF 20 MD Zeichnung Lenkrad, Lenksäule (PDF-Format)
Download Ersatzteil-Zeichnung Massey Ferguson MF 20 MD Zeichnung Lenkrad, Lenksäule (JPG-Format)

Sollten Sie Fragen zu einem Ersatzteil haben, können Sie uns gerne eine E-Mail (mit einem Foto vom Typenschild Ihres Gerätes) schreiben oder eine Ersatzteilanfrage stellen.

Ersatzteile für Utility Vehicle Massey Ferguson MF 20 MD aus der Zeichnung Lenkrad, Lenksäule:
Artikel 1 - 14 von 14

110,74 € *
Lieferzeit: 2 - 10 Werktage
17,46 € *
Lieferzeit: 2 - 10 Werktage
304,92 € *
Lieferzeit: 2 - 10 Werktage
16,54 € *
Lieferzeit: 2 - 10 Werktage

Artikel 1 - 14 von 14