Lenkrad, Lenksäule

Zeichnung für Cub Cadet Utility Vehicle CubCadet 4X4 Camo mit der Geräte-Artikelnr. 37AP467D603 ab Baujahr 2007:

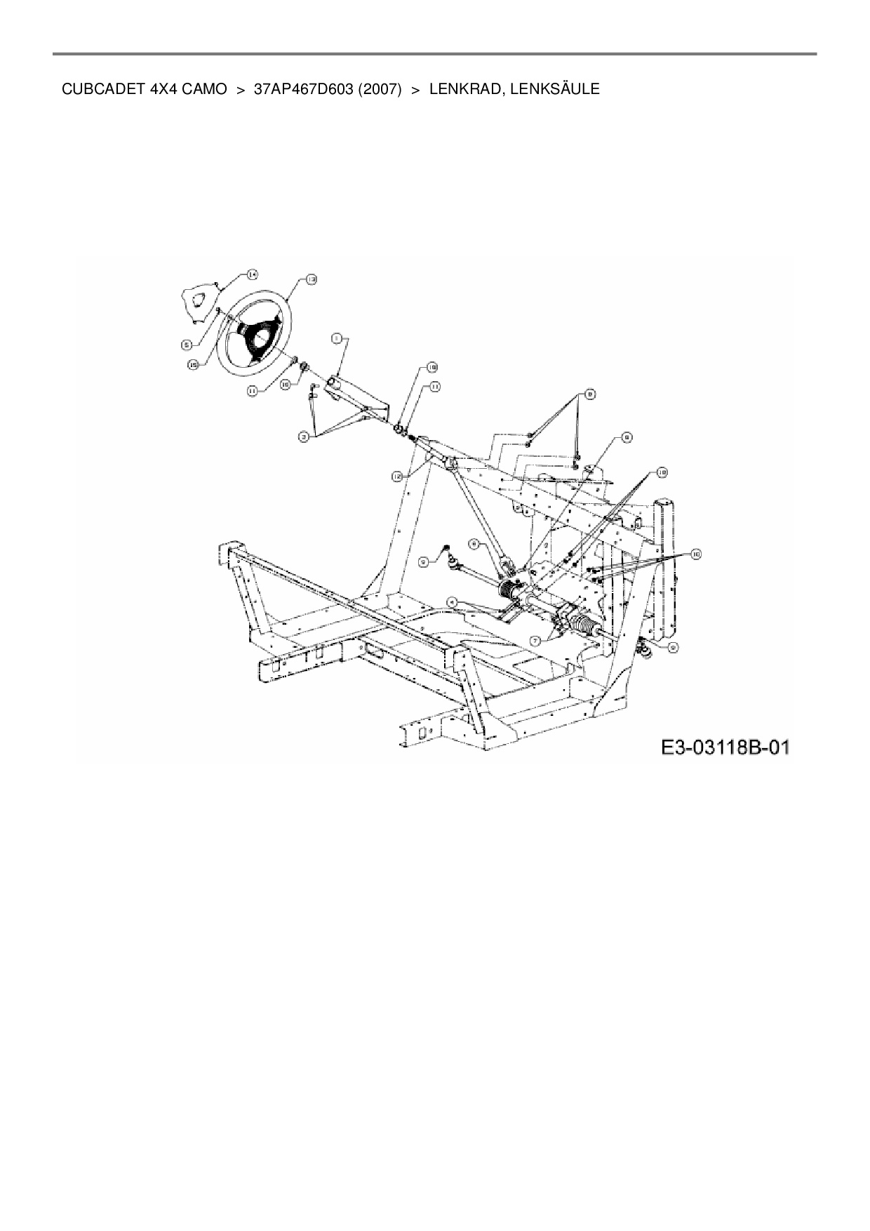
Zeichnung Lenkrad, Lenksäule

Die Ersatzteil-Zeichnung für Utility Vehicle Cub Cadet CubCadet 4X4 Camo als Download:
Download Ersatzteil-Zeichnung Cub Cadet CubCadet 4X4 Camo Zeichnung Lenkrad, Lenksäule (PDF-Format)
Download Ersatzteil-Zeichnung Cub Cadet CubCadet 4X4 Camo Zeichnung Lenkrad, Lenksäule (JPG-Format)

Sollten Sie Fragen zu einem Ersatzteil haben, können Sie uns gerne eine E-Mail (mit einem Foto vom Typenschild Ihres Gerätes) schreiben oder eine Ersatzteilanfrage stellen.

Ersatzteile für Utility Vehicle Cub Cadet CubCadet 4X4 Camo aus der Zeichnung Lenkrad, Lenksäule:
Artikel 1 - 6 von 6


Artikel 1 - 6 von 6