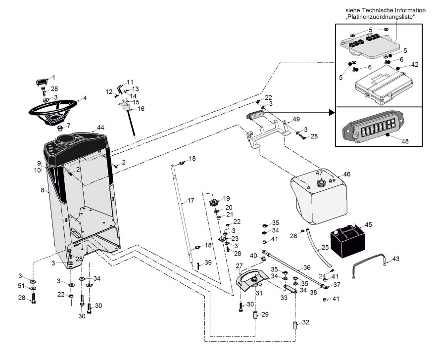
Lenkkonsole, Tank A-115KO

Zeichnung von ECHO-Motorgeräte Rasentraktoren A-Serie A-115KO - E1100007 Lenkkonsole, Tank A-115KO:

Klicken Sie auf diese Zeichnung

Sollten Sie Fragen zu einem Ersatzteil haben, können Sie uns gerne eine Ersatzteilanfrage stellen.

Hier finden Sie alle Ersatzteile von ECHO-Motorgeräte Rasentraktoren A-Serie A-115KO - E1100007:
Artikel 1 - 10 von 34