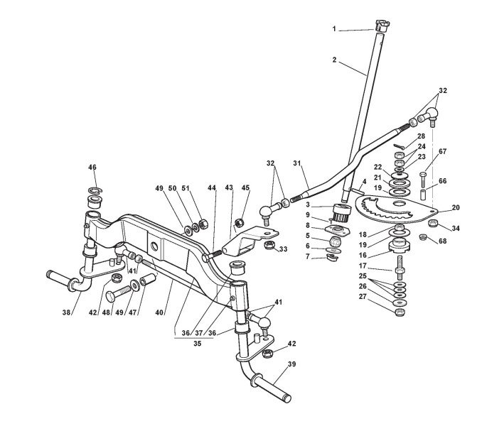
Lenkgetriebe

Zeichnungen von Stiga Aufsitzmäher ESTATE ROYAL mit Geräte Nr. 2T0950281/11 ab Baujahr 2011

Zeichnung


Beachten Sie bitte, dass die Gerätebezeichnung Stiga Aufsitzmäher ESTATE ROYAL, das Baujahr ab 2011 und die Geräte Nr. 2T0950281/11 lauten muss, denn nur so kann sichergestellt werden, dass das Ersatzteil passt.
Nur die hier aufgeführten Ersatzteile sind für dieses Gerät verfügbar. Alle anderen Ersatzteile sind nicht mehr lieferbar.
Ersatzteile von Stiga Aufsitzmäher ESTATE ROYAL (Geräte-ID 2T0950281/11) ab 2011:
Artikel 1 - 30 von 38


Artikel 1 - 30 von 38