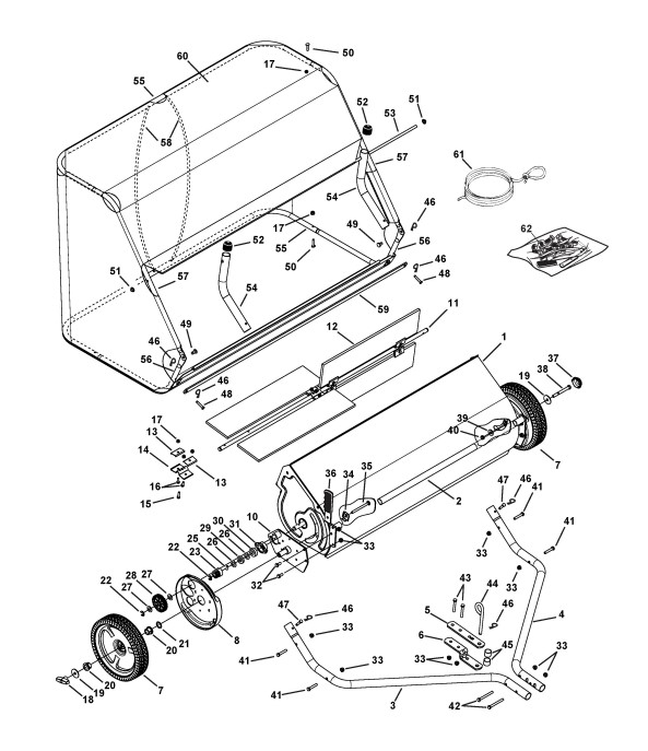
Lawn sweeper (1)

Zeichnungen von Stiga Frontaufsitzmäher Herbst-/Winteranwendung mit Geräte Nr. 13-3926-11 ab Baujahr 2021

Zeichnung


Beachten Sie bitte, dass die Gerätebezeichnung Stiga Frontaufsitzmäher Herbst-/Winteranwendung, das Baujahr ab 2021 und die Geräte Nr. 13-3926-11 lauten muss, denn nur so kann sichergestellt werden, dass das Ersatzteil passt.
Nur die hier aufgeführten Ersatzteile sind für dieses Gerät verfügbar. Alle anderen Ersatzteile sind nicht mehr lieferbar.
Ersatzteile von Stiga Frontaufsitzmäher Grass & leaf collector 42" (Geräte ID 13-3926-11) Baujahr ab Bj 2021:
Artikel 1 - 20 von 37


Artikel 1 - 20 von 37