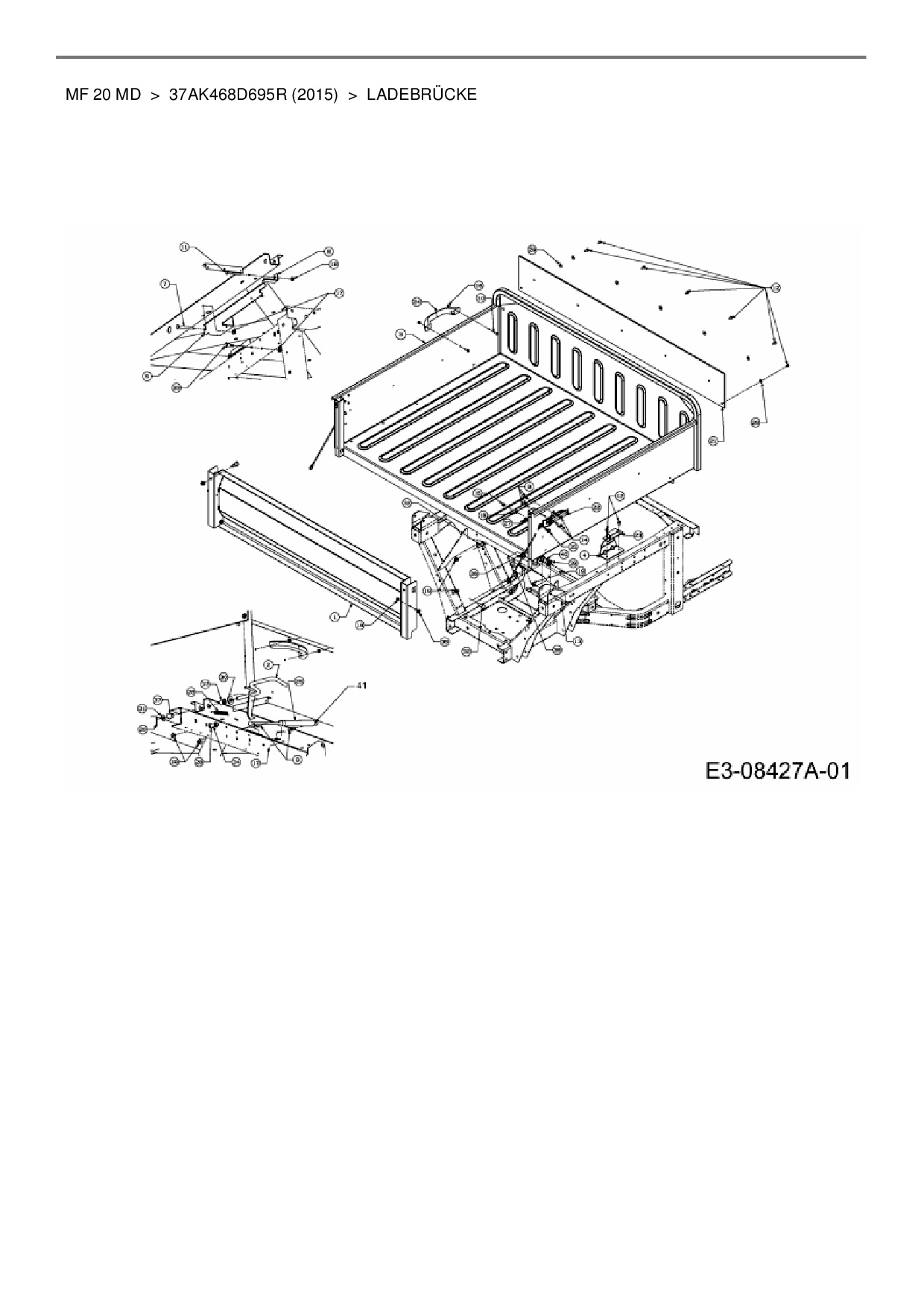
Ladebrücke

Zeichnung für Massey Ferguson Utility Vehicle MF 20 MD mit der Geräte-Artikelnr. 37AK468D695R ab Baujahr 2015:

Zeichnung Ladebrücke

Die Ersatzteil-Zeichnung für Utility Vehicle Massey Ferguson MF 20 MD als Download:
Download Ersatzteil-Zeichnung Massey Ferguson MF 20 MD Zeichnung Ladebrücke (PDF-Format)
Download Ersatzteil-Zeichnung Massey Ferguson MF 20 MD Zeichnung Ladebrücke (JPG-Format)

Sollten Sie Fragen zu einem Ersatzteil haben, können Sie uns gerne eine E-Mail (mit einem Foto vom Typenschild Ihres Gerätes) schreiben oder eine Ersatzteilanfrage stellen.

Ersatzteile für Utility Vehicle Massey Ferguson MF 20 MD aus der Zeichnung Ladebrücke:
Artikel 1 - 10 von 37

96,34 € *
Lieferzeit: 2 - 10 Werktage
28,88 € *
Lieferzeit: 2 - 10 Werktage
57,74 € *
Lieferzeit: 2 - 10 Werktage