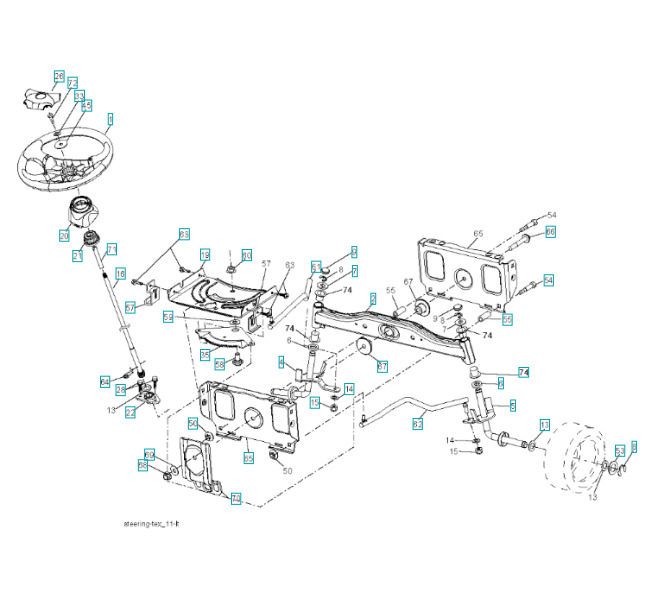
LENKUNG

Ersatzteile für Husqvarna Gartentraktor LT151 ( 96041001703, 2007-08 ) LENKUNG:

Zeichnung für Husqvarna Gartentraktor LT151 ( 96041001703, 2007-08 ) LENKUNG

Sollten Sie Fragen zu einem Ersatzteil von LT151 ( 96041001703, 2007-08 ) haben, können Sie uns gerne eine Ersatzteilanfrage (mit einem Foto vom Typenschild Ihres Gerätes) stellen.

Folgende Ersatzteile für Husqvarna Gartentraktor LT151 ( 96041001703, 2007-08 ) LENKUNG können Sie hier bestellen:
Artikel 1 - 30 von 36

36,60 € *
Lieferzeit: 2 - 10 Werktage

Artikel 1 - 30 von 36