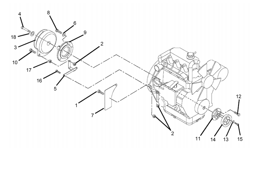
Kupplung und Schwungrad

Zeichnung von Gravely PRO-MASTER 260Z (992317) S.-NR. 004500-005999 Kupplung und Schwungrad :

Klicken Sie auf diese Zeichnung

Sollten Sie Fragen zu einem Ersatzteil haben, können Sie uns gerne eine Ersatzteilanfrage stellen.

Hier finden Sie alle Ersatzteile von Gravely PRO-MASTER 260Z (992317) S.-NR. 004500-005999 Kupplung und Schwungrad :
Artikel 1 - 18 von 18


Artikel 1 - 18 von 18