Kraftstoffilter, Luftfilter, Tank

Zeichnung für Massey Ferguson Utility Vehicle MF 20 MD mit der Geräte-Artikelnr. 37AK468D695 ab Baujahr 2017:

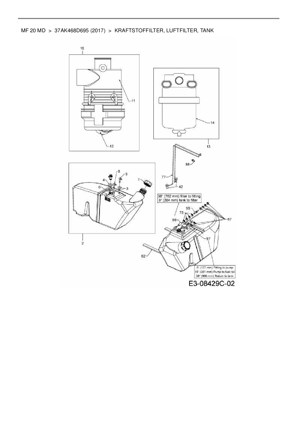
Zeichnung Kraftstoffilter, Luftfilter, Tank

Die Ersatzteil-Zeichnung für Utility Vehicle Massey Ferguson MF 20 MD als Download:
Download Ersatzteil-Zeichnung Massey Ferguson MF 20 MD Zeichnung Kraftstoffilter, Luftfilter, Tank (PDF-Format)
Download Ersatzteil-Zeichnung Massey Ferguson MF 20 MD Zeichnung Kraftstoffilter, Luftfilter, Tank (JPG-Format)

Sollten Sie Fragen zu einem Ersatzteil haben, können Sie uns gerne eine E-Mail (mit einem Foto vom Typenschild Ihres Gerätes) schreiben oder eine Ersatzteilanfrage stellen.

Ersatzteile für Utility Vehicle Massey Ferguson MF 20 MD aus der Zeichnung Kraftstoffilter, Luftfilter, Tank:
Artikel 1 - 10 von 20

25,94 € *
Lieferzeit: 2 - 10 Werktage
23,64 € *
Lieferzeit: 2 - 10 Werktage
22,62 € *
Lieferzeit: 2 - 10 Werktage
126,30 € *
Lieferzeit: 2 - 10 Werktage
45,80 € *
Lieferzeit: 2 - 10 Werktage
21,54 € *
Lieferzeit: 2 - 10 Werktage
170,72 € *
Lieferzeit: 2 - 10 Werktage
137,30 € *
Lieferzeit: 2 - 10 Werktage
25,52 € *
Lieferzeit: 2 - 10 Werktage

Artikel 1 - 10 von 20