Kompressor TCK 210/8 Set ( 400727801035 )

Ersatzteile für Top Craft Kompressor TCK 210/8 Set ( 400727801035 )

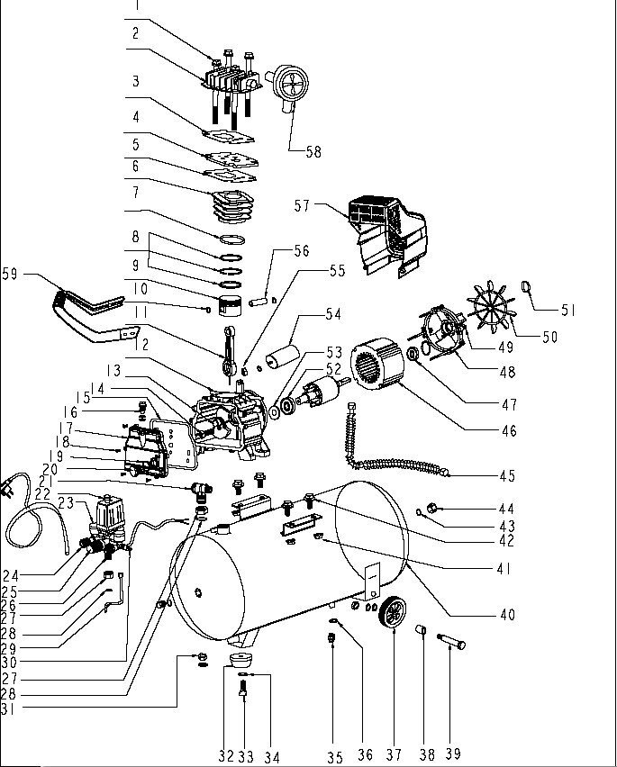
Zeichnung

Sollten Sie Fragen zu einem Ersatzteil vom Top Craft Kompressor TCK 210/8 Set ( 400727801035 ) haben, können Sie uns gerne eine E-Mail (mit einem Foto vom Typenschild Ihres Gerätes) schreiben oder eine Ersatzteilanfrage stellen.

Folgende Ersatzteile für Top Craft Kompressor TCK 210/8 Set ( 400727801035 ) können Sie hier bestellen:
Artikel 1 - 30 von 682