Kettensäge

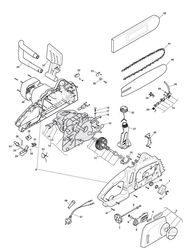
Zeichnungen von Alpina Kettensägen CP 2.0 Q mit Geräte Nr. 292716141/ALP ab Baujahr 2016

Zeichnung


Beachten Sie bitte, dass die Gerätebezeichnung Alpina Kettensägen CP 2.0 Q, das Baujahr ab 2016 und die Geräte Nr. 292716141/ALP lauten muss, denn nur so kann sichergestellt werden, dass das Ersatzteil passt.
Hier finden Sie alle Ersatzteile von Alpina Kettensägen CP 2.0 Q (292716141/ALP) ab Bj. 2016:
Artikel 1 - 43 von 43

11,86 € *
Lieferzeit: 2 - 10 Werktage
6,48 € *
Lieferzeit: 2 - 10 Werktage

Artikel 1 - 43 von 43