Kettensäge 1

Zeichnungen von Alpina Kettensägen ES 182 mit Geräte Nr. 293014000/08 ab Baujahr 2011

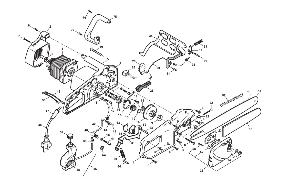
Zeichnung


Beachten Sie bitte, dass die Gerätebezeichnung Alpina Kettensägen ES 182, das Baujahr ab 2011 und die Geräte Nr. 293014000/08 lauten muss, denn nur so kann sichergestellt werden, dass das Ersatzteil passt.
Hier finden Sie alle Ersatzteile von Alpina Kettensägen ES 182 (293014000/08) ab Bj. 2011:
Artikel 1 - 26 von 26

15,26 € *
Lieferzeit: 2 - 10 Werktage
4,23 € *
Lieferzeit: 2 - 10 Werktage
11,85 € *
Lieferzeit: 2 - 10 Werktage

Artikel 1 - 26 von 26