Kettensäge 1

Zeichnungen von Alpina Kettensägen EA 2000 Q mit Geräte Nr. 292616100/11 ab Baujahr 2015

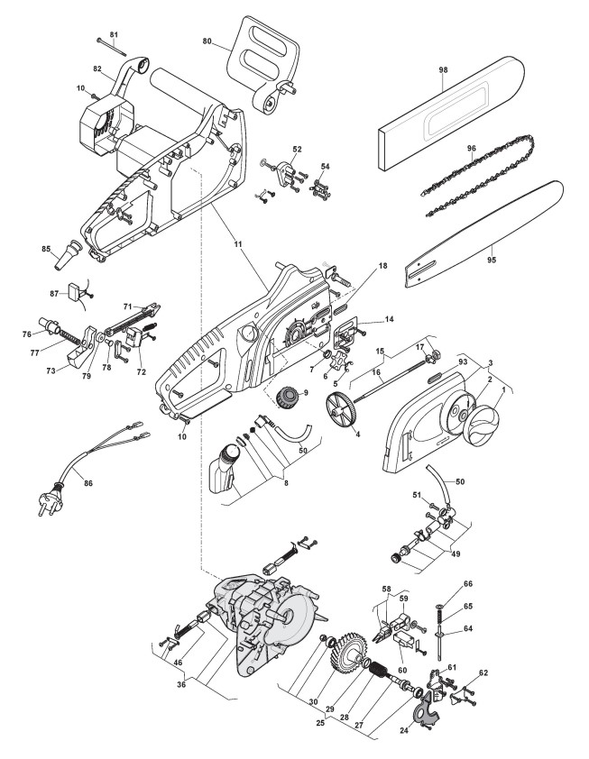
Zeichnung


Beachten Sie bitte, dass die Gerätebezeichnung Alpina Kettensägen EA 2000 Q, das Baujahr ab 2015 und die Geräte Nr. 292616100/11 lauten muss, denn nur so kann sichergestellt werden, dass das Ersatzteil passt.
Hier finden Sie alle Ersatzteile von Alpina Kettensägen EA 2000 Q (292616100/11) ab Bj. 2015:
Artikel 1 - 20 von 40

5,92 € *
Lieferzeit: 2 - 10 Werktage
4,23 € *
Lieferzeit: 2 - 10 Werktage
6,59 € *
Lieferzeit: 2 - 10 Werktage
4,38 € *
Lieferzeit: 2 - 10 Werktage

Artikel 1 - 20 von 40