Kapotte (3/3)

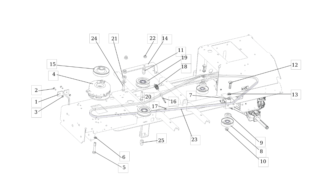
Zeichnung EFCO Rasentraktor EF 107 L/24 KH (K2400AVD V-Twin) Cat. 2018:

Zeichnung 1

Sollten Sie Fragen zu einem Ersatzteil haben, können Sie uns gerne eine Ersatzteilanfrage stellen.

Hier finden Sie alle Ersatzteile für EFCO Rasentraktor EF 107 L/24 KH (K2400AVD V-Twin) Cat. 2018 aus der Zeichnung Kapotte (3/3):
Artikel 1 - 6 von 6


Artikel 1 - 6 von 6