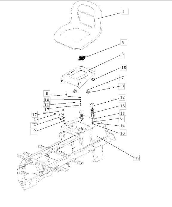
Kapotte (1/3)

Zeichnung Oleo-Mac Rasentraktor OM 107 L/16 KH (K1600AVD) Cat. 2015:

Zeichnung 1

Sollten Sie Fragen zu einem Ersatzteil haben, können Sie uns gerne eine Ersatzteilanfrage stellen.

Hier finden Sie alle Ersatzteile für Oleo-Mac Rasentraktor OM 107 L/16 KH (K1600AVD) Cat. 2015 aus der Zeichnung für Kapotte (1/3):
Artikel 1 - 15 von 15


Artikel 1 - 15 von 15