Hydrostat

Zeichnung für Cub Cadet Gartentraktor HDS 3200 mit der Geräte-Artikelnr. 14A-652-603 ab Baujahr 2002:

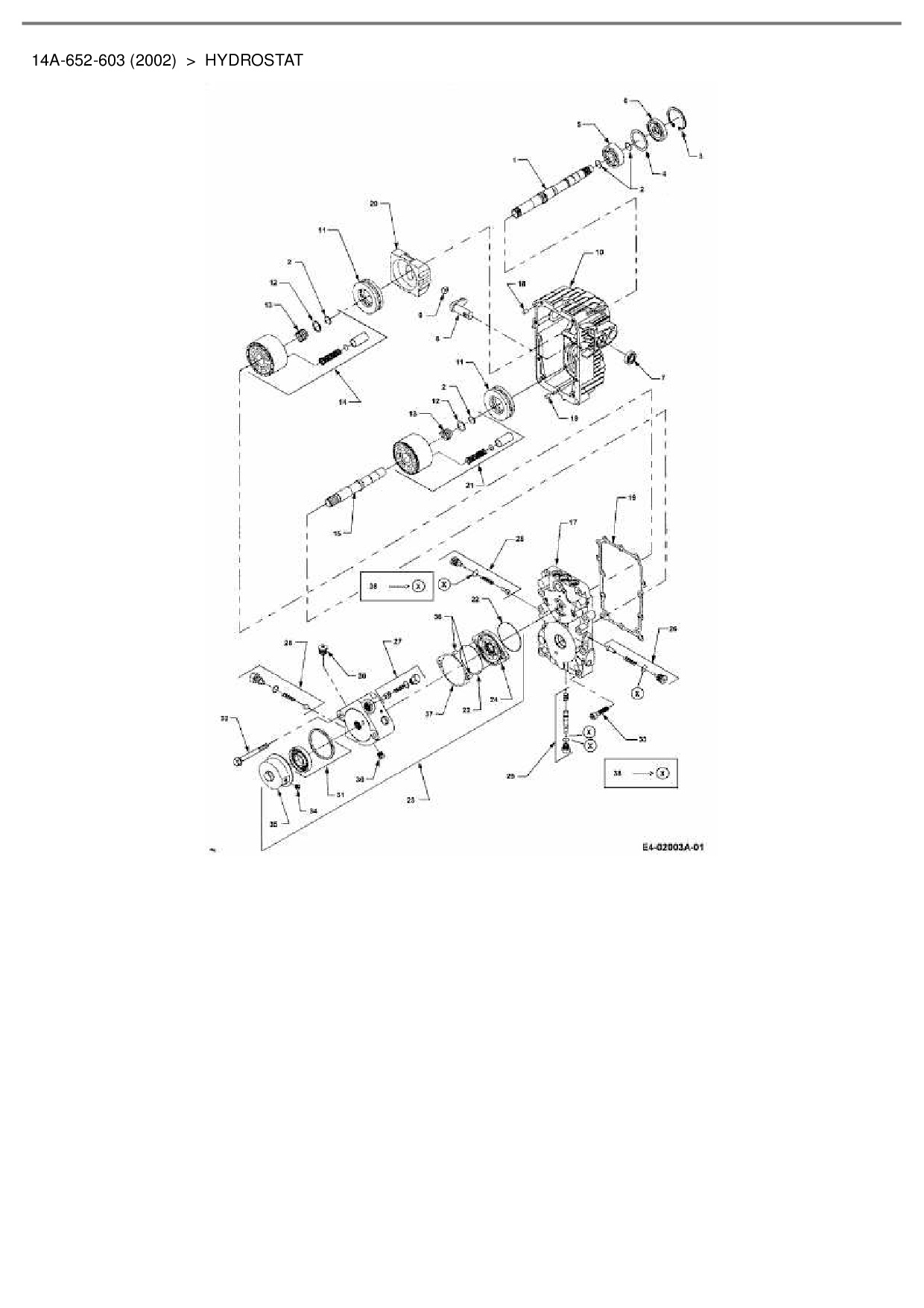
Zeichnung Hydrostat

Die Ersatzteil-Zeichnung für Gartentraktor Cub Cadet HDS 3200 als Download:
Download Ersatzteil-Zeichnung Cub Cadet HDS 3200 Zeichnung Hydrostat (PDF-Format)
Download Ersatzteil-Zeichnung Cub Cadet HDS 3200 Zeichnung Hydrostat (JPG-Format)

Sollten Sie Fragen zu einem Ersatzteil haben, können Sie uns gerne eine E-Mail (mit einem Foto vom Typenschild Ihres Gerätes) schreiben oder eine Ersatzteilanfrage stellen.

Ersatzteile für Gartentraktor Cub Cadet HDS 3200 aus der Zeichnung Hydrostat:
Artikel 1 - 10 von 10

6,14 € *
Lieferzeit: 2 - 10 Werktage
40,00 € *
Lieferzeit: 2 - 10 Werktage
19,87 € *
Lieferzeit: 2 - 10 Werktage
85,00 € *
Lieferzeit: 2 - 10 Werktage
25,50 € *
Lieferzeit: 2 - 10 Werktage
14,88 € *
Lieferzeit: 2 - 10 Werktage
852,90 € *
Lieferzeit: 2 - 10 Werktage
270,52 € *
Lieferzeit: 2 - 10 Werktage
66,90 € *
Lieferzeit: 2 - 10 Werktage
115,50 € *
Lieferzeit: 2 - 10 Werktage

Artikel 1 - 10 von 10