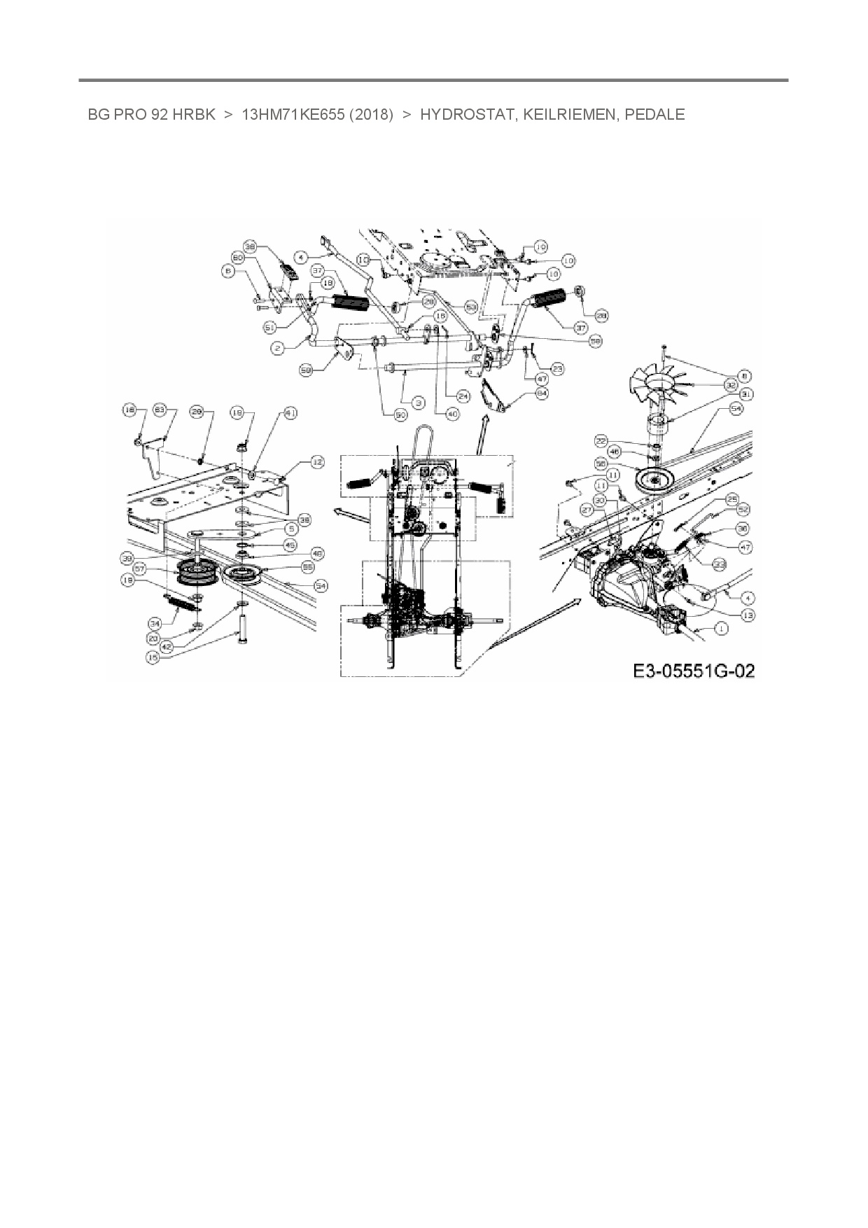
Hydrostat, Keilriemen, Pedale

Zeichnung für Bestgreen Rasentraktor BG Pro 92 HRBK mit der Geräte-Artikelnr. 13HM71KE655 ab Baujahr 2018:

Zeichnung Hydrostat, Keilriemen, Pedale

Die Ersatzteil-Zeichnung für Rasentraktor Bestgreen BG Pro 92 HRBK als Download:
Download Ersatzteil-Zeichnung Bestgreen BG Pro 92 HRBK Zeichnung Hydrostat, Keilriemen, Pedale (PDF-Format)
Download Ersatzteil-Zeichnung Bestgreen BG Pro 92 HRBK Zeichnung Hydrostat, Keilriemen, Pedale (JPG-Format)

Sollten Sie Fragen zu einem Ersatzteil haben, können Sie uns gerne eine E-Mail (mit einem Foto vom Typenschild Ihres Gerätes) schreiben oder eine Ersatzteilanfrage stellen.

Ersatzteile für Rasentraktor Bestgreen BG Pro 92 HRBK aus der Zeichnung Hydrostat, Keilriemen, Pedale:
Artikel 1 - 10 von 54