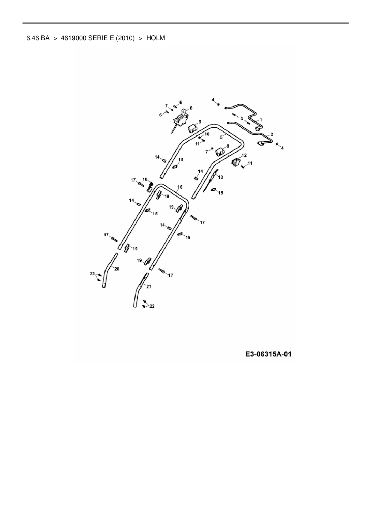
Holm

Zeichnung für Wolf-Garten Motormäher mit Antrieb 6.46 BA mit der Geräte-Artikelnr. 4619000 Serie E ab Baujahr 2010:

Zeichnung Holm

Die Ersatzteil-Zeichnung für Motormäher mit Antrieb Wolf-Garten 6.46 BA als Download:
Download Ersatzteil-Zeichnung Wolf-Garten 6.46 BA Zeichnung Holm (PDF-Format)
Download Ersatzteil-Zeichnung Wolf-Garten 6.46 BA Zeichnung Holm (JPG-Format)

Sollten Sie Fragen zu einem Ersatzteil haben, können Sie uns gerne eine E-Mail (mit einem Foto vom Typenschild Ihres Gerätes) schreiben oder eine Ersatzteilanfrage stellen.

Ersatzteile für Motormäher mit Antrieb Wolf-Garten 6.46 BA aus der Zeichnung Holm:
Artikel 1 - 20 von 20

6,88 € *
Lieferzeit: 2 - 10 Werktage
40,74 € *
Lieferzeit: 2 - 10 Werktage
4,88 € *
Lieferzeit: 2 - 10 Werktage
5,88 € *
Lieferzeit: 2 - 10 Werktage
12,80 € *
Lieferzeit: 2 - 10 Werktage

Artikel 1 - 20 von 20