Holm

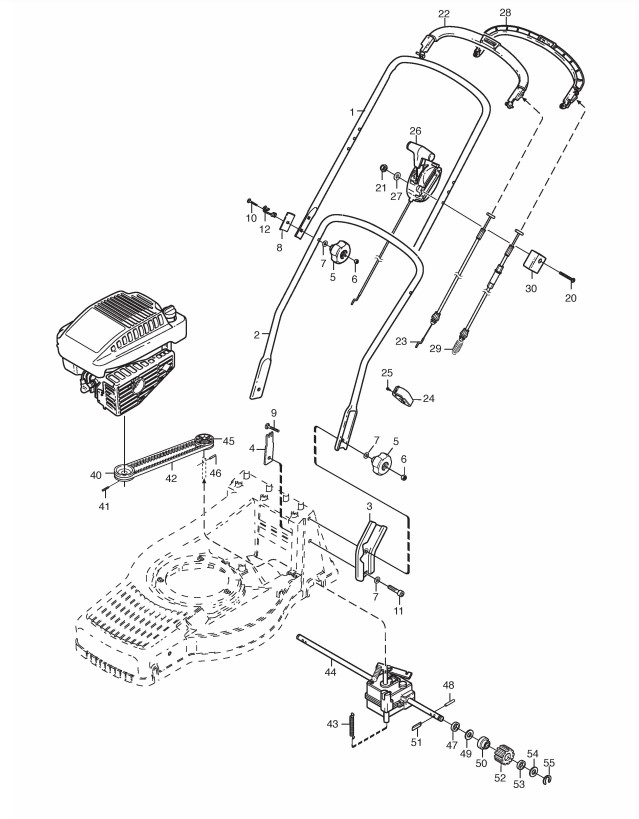
Zeichnung von Stiga Benzin-Rasenmäher ab 2003 Turbo 48S Combi (Geräte Nr 12-5286-50):

Klicken Sie auf diese Zeichnung

Sollten Sie Fragen zu einem Ersatzteil haben, können Sie uns gerne eine Ersatzteilanfrage stellen.

Hier finden Sie alle Ersatzteile von Stiga Benzin-Rasenmäher ab 2003 Turbo 48S Combi (Geräte Nr 12-5286-50) aus dem Zeichnungsblatt Holm:
Artikel 1 - 20 von 29


Artikel 1 - 20 von 29