Holm

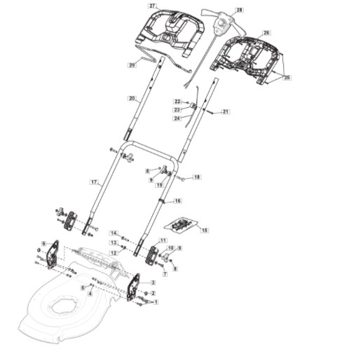
Zeichnung von Mountfield Akku-Rasenmäher ab 2016 S42R PD LI (Geräte Nr.: 299439003/M16):

Klicken Sie auf diese Zeichnung

Sollten Sie Fragen zu einem Ersatzteil haben, können Sie uns gerne eine Ersatzteilanfrage stellen.

Hier finden Sie alle Ersatzteile von Mountfield Akku-Rasenmäher ab 2016 S42R PD LI (Geräte Nr.: 299439003/M16) aus der Zeichnung Holm:
Artikel 1 - 29 von 29


Artikel 1 - 29 von 29