Holm

Zeichnung für Plantiflor Motormäher mit Antrieb BMR 46 Comfort mit der Geräte-Artikelnr. 12A-J55C601 ab Baujahr 2013:

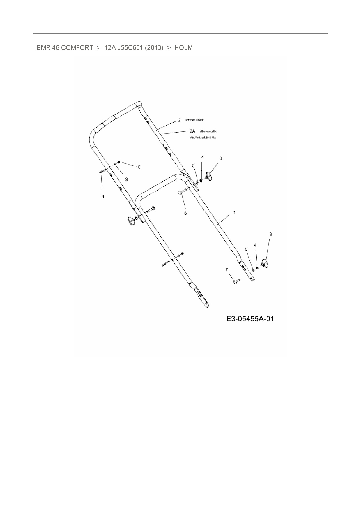
Zeichnung Holm

Die Ersatzteil-Zeichnung für Motormäher mit Antrieb Plantiflor BMR 46 Comfort als Download:
Download Ersatzteil-Zeichnung Plantiflor BMR 46 Comfort Zeichnung Holm (PDF-Format)
Download Ersatzteil-Zeichnung Plantiflor BMR 46 Comfort Zeichnung Holm (JPG-Format)

Sollten Sie Fragen zu einem Ersatzteil haben, können Sie uns gerne eine E-Mail (mit einem Foto vom Typenschild Ihres Gerätes) schreiben oder eine Ersatzteilanfrage stellen.

Ersatzteile für Motormäher mit Antrieb Plantiflor BMR 46 Comfort aus der Zeichnung Holm:
Artikel 1 - 9 von 9


Artikel 1 - 9 von 9