Holm

Zeichnung für Lux Tools Elektromäher mit Antrieb E 1800-48 HMA mit der Geräte-Artikelnr. 18AR11K-694 ab Baujahr 2010:

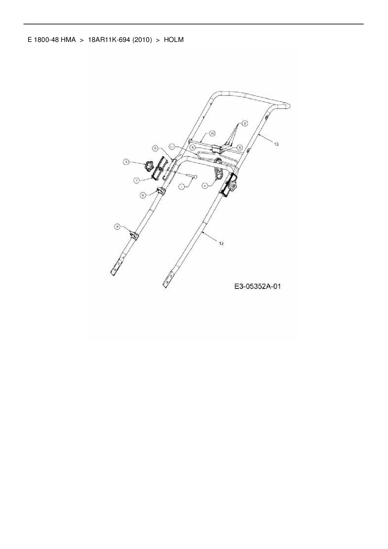
Zeichnung Holm

Die Ersatzteil-Zeichnung für Elektromäher mit Antrieb Lux Tools E 1800-48 HMA als Download:
Download Ersatzteil-Zeichnung Lux Tools E 1800-48 HMA Zeichnung Holm (PDF-Format)
Download Ersatzteil-Zeichnung Lux Tools E 1800-48 HMA Zeichnung Holm (JPG-Format)

Sollten Sie Fragen zu einem Ersatzteil haben, können Sie uns gerne eine E-Mail (mit einem Foto vom Typenschild Ihres Gerätes) schreiben oder eine Ersatzteilanfrage stellen.

Ersatzteile für Elektromäher mit Antrieb Lux Tools E 1800-48 HMA aus der Zeichnung Holm:
Artikel 1 - 13 von 13

5,88 € *
Lieferzeit: 2 - 10 Werktage

Artikel 1 - 13 von 13