Holm

Zeichnung für Wolf-Garten Motormäher mit Antrieb AT 420 AHHW mit der Geräte-Artikelnr. 12B-LVCQ650 ab Baujahr 2016:

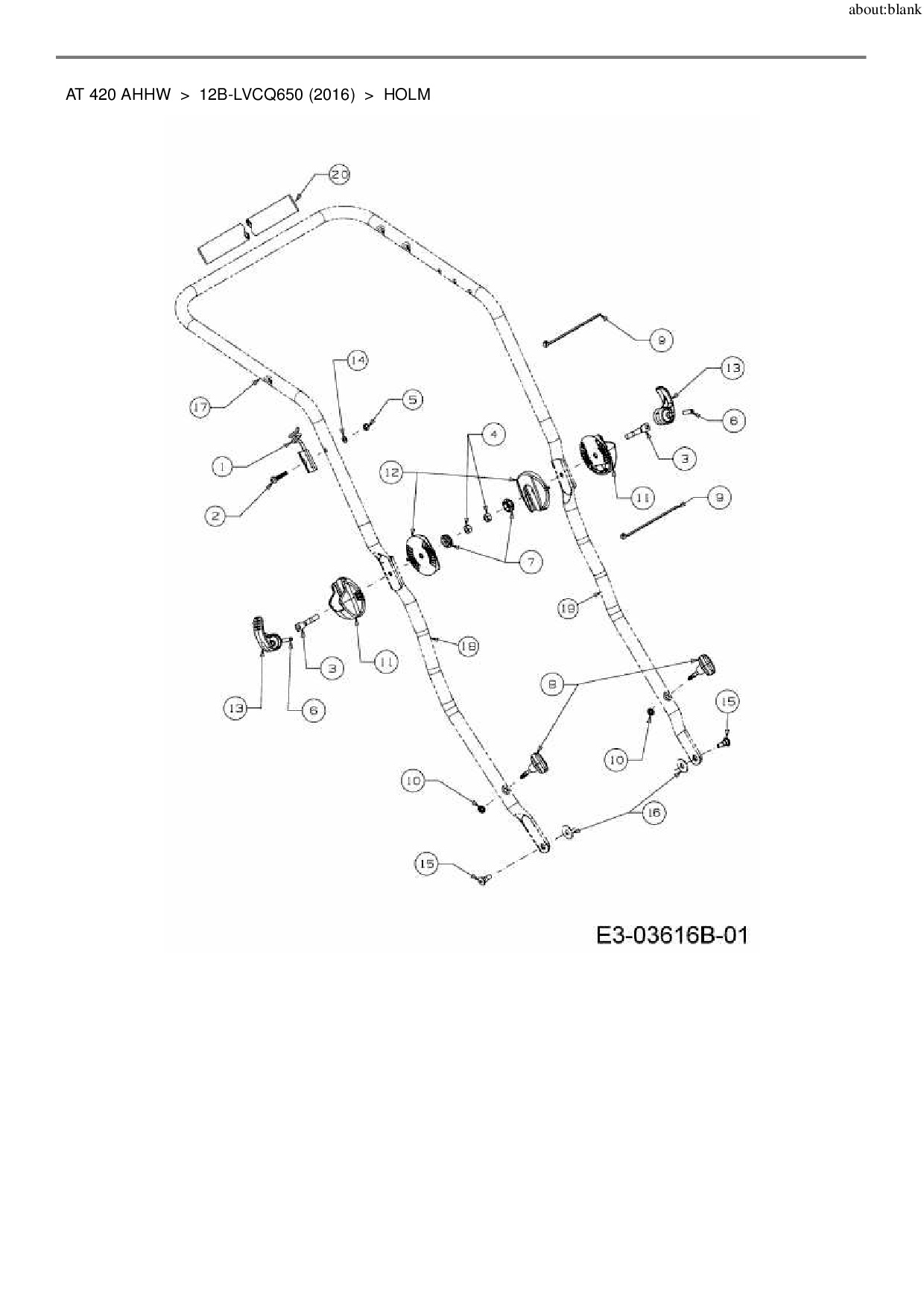
Zeichnung Holm

Die Ersatzteil-Zeichnung für Motormäher mit Antrieb Wolf-Garten AT 420 AHHW als Download:
Download Ersatzteil-Zeichnung Wolf-Garten AT 420 AHHW Zeichnung Holm (PDF-Format)
Download Ersatzteil-Zeichnung Wolf-Garten AT 420 AHHW Zeichnung Holm (JPG-Format)

Sollten Sie Fragen zu einem Ersatzteil haben, können Sie uns gerne eine E-Mail (mit einem Foto vom Typenschild Ihres Gerätes) schreiben oder eine Ersatzteilanfrage stellen.

Ersatzteile für Motormäher mit Antrieb Wolf-Garten AT 420 AHHW aus der Zeichnung Holm:
Artikel 1 - 10 von 20


Artikel 1 - 10 von 20