Holm, ab 20.03.2013

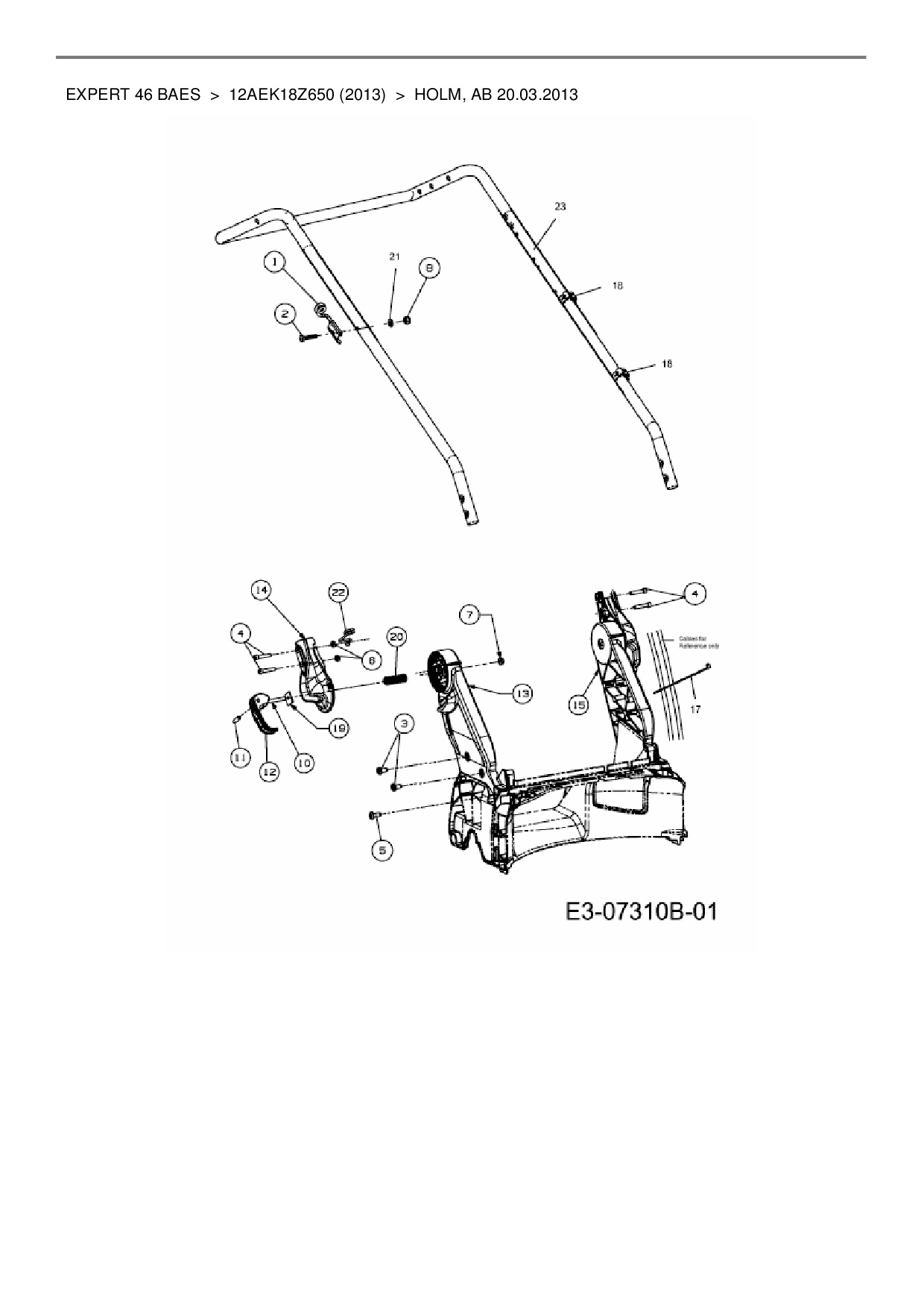
Zeichnung für Wolf-Garten Expert Motormäher mit Antrieb Expert 46 BAES mit der Geräte-Artikelnr. 12AEK18Z650 ab Baujahr 2013:

Zeichnung Holm, ab 20.03.2013

Die Ersatzteil-Zeichnung für Motormäher mit Antrieb Wolf-Garten Expert Expert 46 BAES als Download:
Download Ersatzteil-Zeichnung Wolf-Garten Expert Expert 46 BAES Zeichnung Holm, ab 20.03.2013 (PDF-Format)
Download Ersatzteil-Zeichnung Wolf-Garten Expert Expert 46 BAES Zeichnung Holm, ab 20.03.2013 (JPG-Format)

Sollten Sie Fragen zu einem Ersatzteil haben, können Sie uns gerne eine E-Mail (mit einem Foto vom Typenschild Ihres Gerätes) schreiben oder eine Ersatzteilanfrage stellen.

Ersatzteile für Motormäher mit Antrieb Wolf-Garten Expert Expert 46 BAES aus der Zeichnung Holm, ab 20.03.2013:
Artikel 1 - 20 von 21


Artikel 1 - 20 von 21