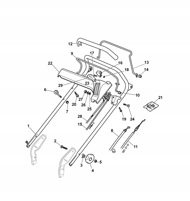
Holm, Oberteil

Zeichnungen von Alpina Benzinrasenmäher POWER 55 ASHK3 BW mit Geräte Nr. 292147038/PWR ab Baujahr 2010

Zeichnung


Beachten Sie bitte, dass die Gerätebezeichnung Alpina Benzinrasenmäher POWER 55 ASHK3 BW, das Baujahr ab 2010 und die Geräte Nr. 292147038/PWR lauten muss, denn nur so kann sichergestellt werden, dass das Ersatzteil passt.
Nur die hier aufgeführten Ersatzteile sind für dieses Gerät verfügbar. Alle anderen Ersatzteile sind nicht mehr lieferbar.
Ersatzteile von Alpina Benzinrasenmäher POWER 55 ASHK3 BW (Geräte Nr.: 292147038/PWR) ab 2010:
Artikel 1 - 10 von 30


Artikel 1 - 10 von 30