Holm (1)

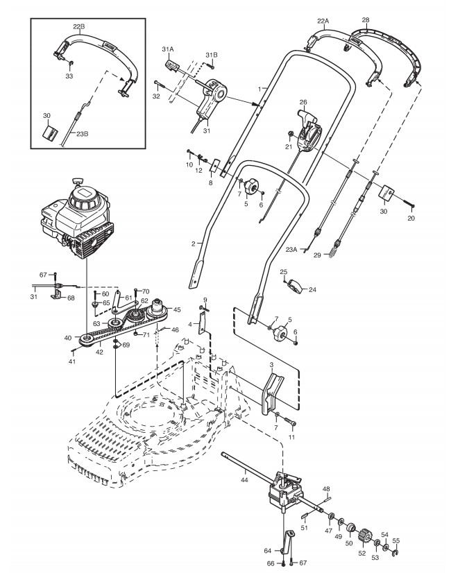
Zeichnung von Stiga Benzin-Rasenmäher ab 2004 Turbo Pro 55 S 4-Speed Combi (Geräte Nr 12-9404-49):

Klicken Sie auf diese Zeichnung

Sollten Sie Fragen zu einem Ersatzteil haben, können Sie uns gerne eine Ersatzteilanfrage stellen.

Hier finden Sie alle Ersatzteile von Stiga Benzin-Rasenmäher ab 2004 Turbo Pro 55 S 4-Speed Combi (Geräte Nr 12-9404-49) aus dem Zeichnungsblatt Holm (1):
Artikel 1 - 40 von 41


Artikel 1 - 40 von 41