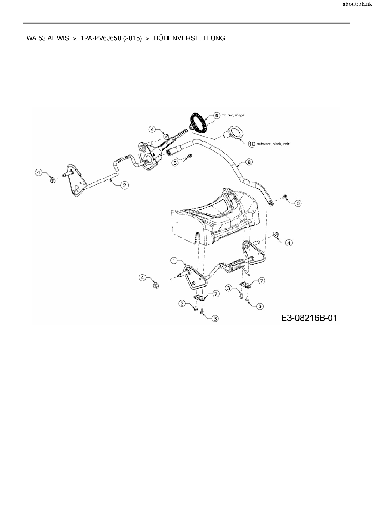
Höhenverstellung

Zeichnung für Wolf-Garten Motormäher mit Antrieb WA 53 AHWIS mit der Geräte-Artikelnr. 12A-PV6J650 ab Baujahr 2015:

Zeichnung Höhenverstellung

Die Ersatzteil-Zeichnung für Motormäher mit Antrieb Wolf-Garten WA 53 AHWIS als Download:
Download Ersatzteil-Zeichnung Wolf-Garten WA 53 AHWIS Zeichnung Höhenverstellung (PDF-Format)
Download Ersatzteil-Zeichnung Wolf-Garten WA 53 AHWIS Zeichnung Höhenverstellung (JPG-Format)

Sollten Sie Fragen zu einem Ersatzteil haben, können Sie uns gerne eine E-Mail (mit einem Foto vom Typenschild Ihres Gerätes) schreiben oder eine Ersatzteilanfrage stellen.

Ersatzteile für Motormäher mit Antrieb Wolf-Garten WA 53 AHWIS aus der Zeichnung Höhenverstellung:
Artikel 1 - 9 von 9


Artikel 1 - 9 von 9