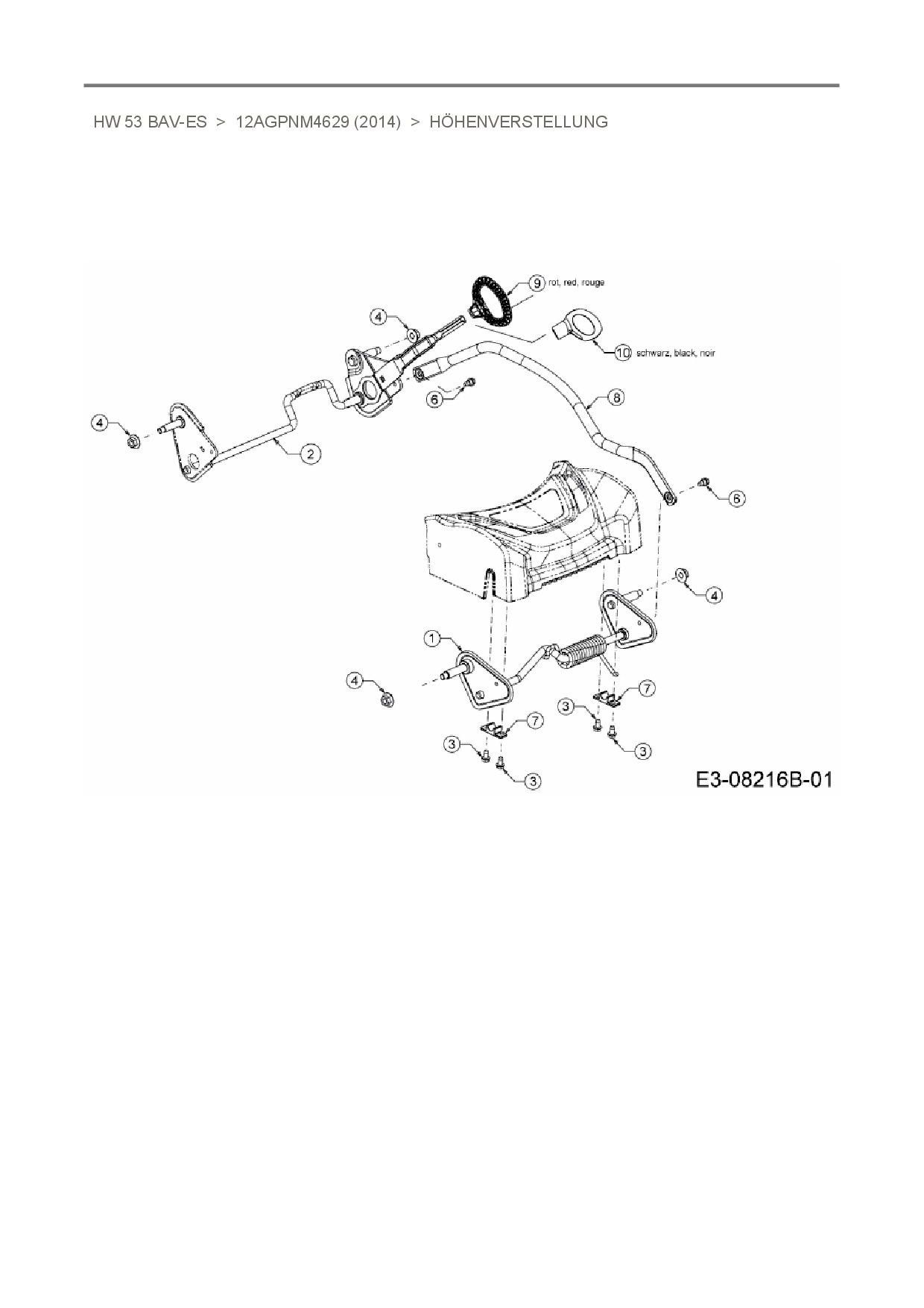
Höhenverstellung

Zeichnung für Mr. Gardener Motormäher mit Antrieb HW 53 BAV-ES mit der Geräte-Artikelnr. 12AGPNM4629 ab Baujahr 2014:

Zeichnung Höhenverstellung

Die Ersatzteil-Zeichnung für Motormäher mit Antrieb Mr. Gardener HW 53 BAV-ES als Download:
Download Ersatzteil-Zeichnung Mr. Gardener HW 53 BAV-ES Zeichnung Höhenverstellung (PDF-Format)
Download Ersatzteil-Zeichnung Mr. Gardener HW 53 BAV-ES Zeichnung Höhenverstellung (JPG-Format)

Sollten Sie Fragen zu einem Ersatzteil haben, können Sie uns gerne eine E-Mail (mit einem Foto vom Typenschild Ihres Gerätes) schreiben oder eine Ersatzteilanfrage stellen.

Ersatzteile für Motormäher mit Antrieb Mr. Gardener HW 53 BAV-ES aus der Zeichnung Höhenverstellung:
Artikel 1 - 9 von 9


Artikel 1 - 9 von 9