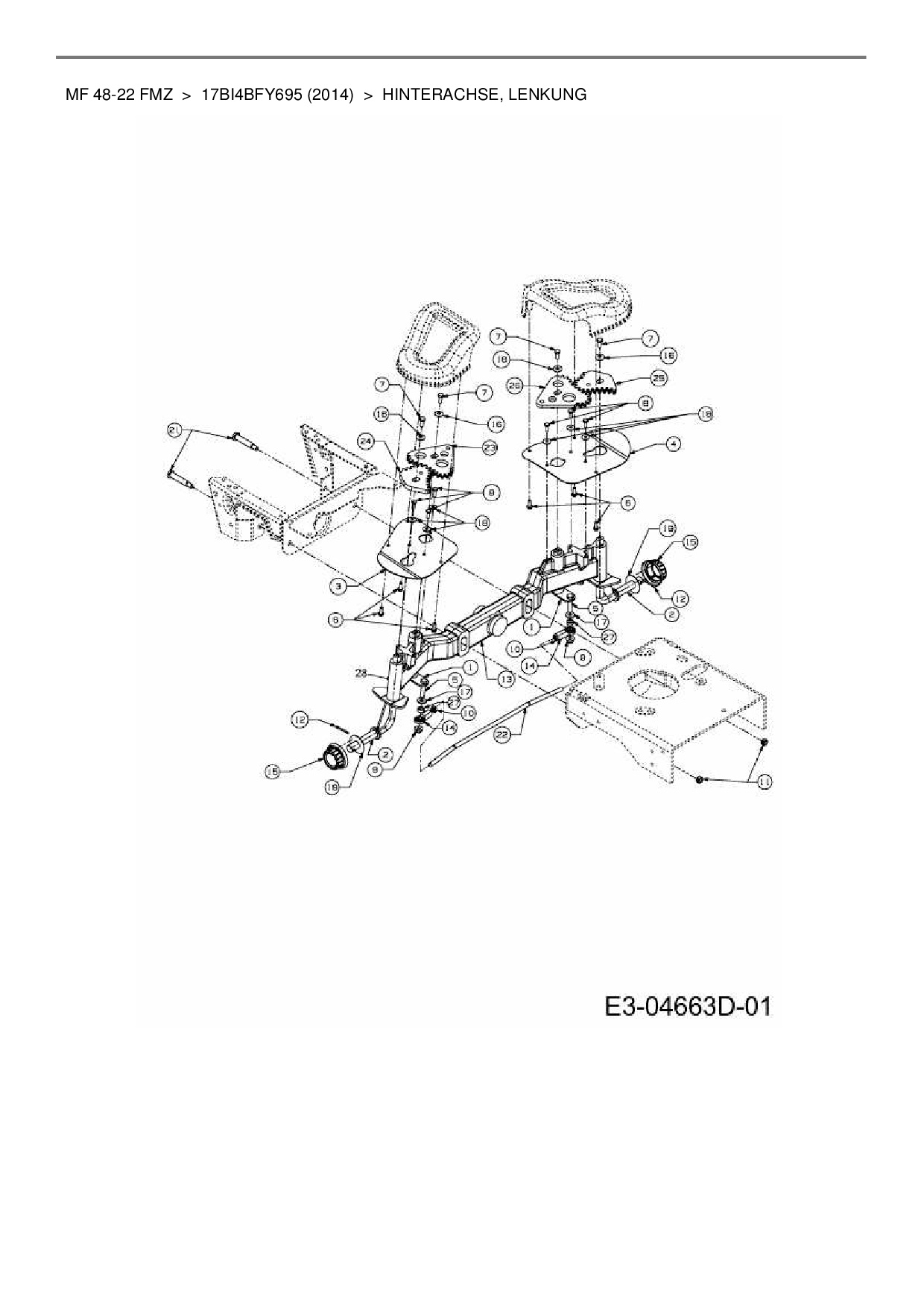
Hinterachse, Lenkung

Zeichnung für Massey Ferguson Zero Turn MF 48-22 FMZ mit der Geräte-Artikelnr. 17BI4BFY695 ab Baujahr 2014:

Zeichnung Hinterachse, Lenkung

Die Ersatzteil-Zeichnung für Zero Turn Massey Ferguson MF 48-22 FMZ als Download:
Download Ersatzteil-Zeichnung Massey Ferguson MF 48-22 FMZ Zeichnung Hinterachse, Lenkung (PDF-Format)
Download Ersatzteil-Zeichnung Massey Ferguson MF 48-22 FMZ Zeichnung Hinterachse, Lenkung (JPG-Format)

Sollten Sie Fragen zu einem Ersatzteil haben, können Sie uns gerne eine E-Mail (mit einem Foto vom Typenschild Ihres Gerätes) schreiben oder eine Ersatzteilanfrage stellen.

Ersatzteile für Zero Turn Massey Ferguson MF 48-22 FMZ aus der Zeichnung Hinterachse, Lenkung:
Artikel 1 - 10 von 24


Artikel 1 - 10 von 24