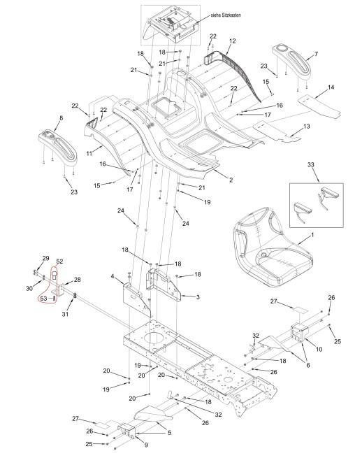
Heckteil, Sitz 4WD

Zeichnung von ECHO-Motorgeräte Rasentraktoren A-Serie A-416KAWA-4WD Bj. 2016 Heckteil, Sitz 4WD:

Klicken Sie auf diese Zeichnung

Sollten Sie Fragen zu einem Ersatzteil haben, können Sie uns gerne eine Ersatzteilanfrage stellen.

Hier finden Sie alle Ersatzteile von ECHO-Motorgeräte Rasentraktoren A-Serie A-416KAWA-4WD Bj. 2016:
Artikel 1 - 15 von 15


Artikel 1 - 15 von 15