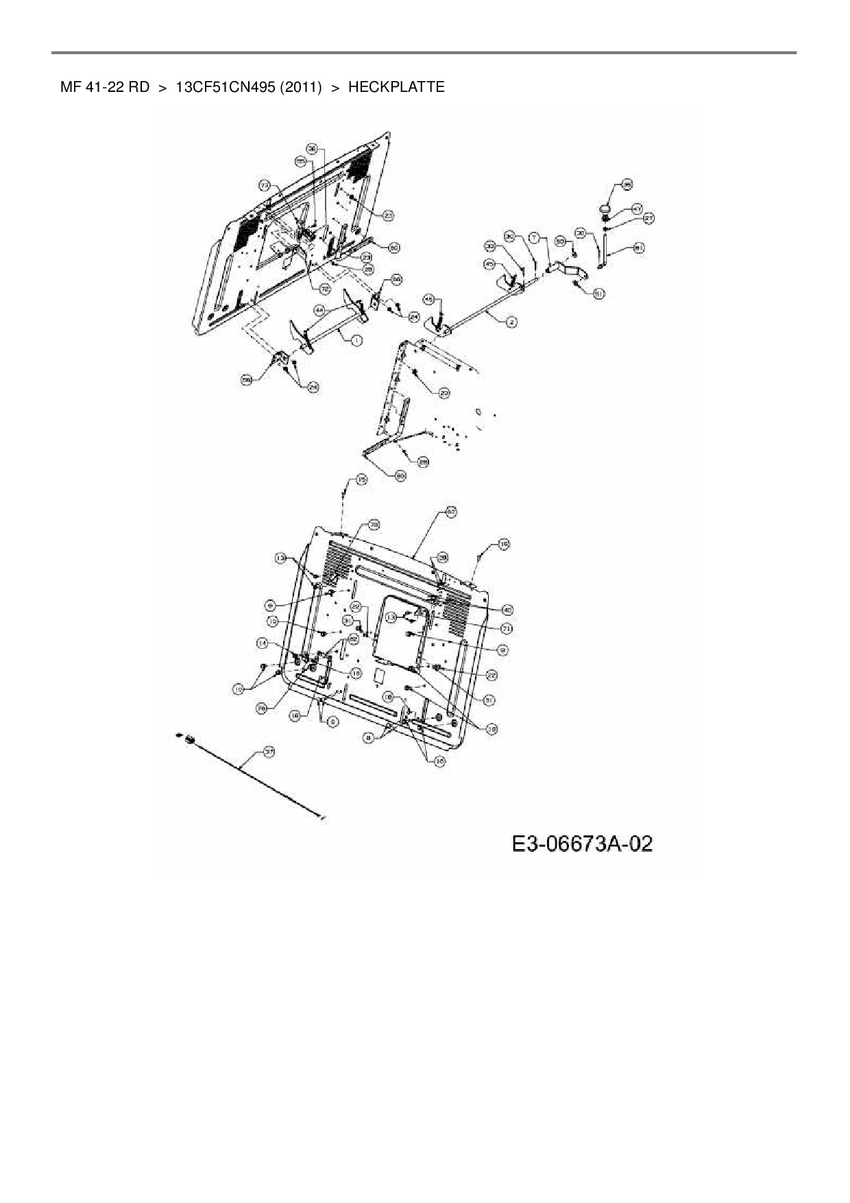
Heckplatte

Zeichnung für Massey Ferguson Rasentraktor MF 41-22 RD mit der Geräte-Artikelnr. 13CF51CN495 ab Baujahr 2011:

Zeichnung Heckplatte

Die Ersatzteil-Zeichnung für Rasentraktor Massey Ferguson MF 41-22 RD als Download:
Download Ersatzteil-Zeichnung Massey Ferguson MF 41-22 RD Zeichnung Heckplatte (PDF-Format)
Download Ersatzteil-Zeichnung Massey Ferguson MF 41-22 RD Zeichnung Heckplatte (JPG-Format)

Sollten Sie Fragen zu einem Ersatzteil haben, können Sie uns gerne eine E-Mail (mit einem Foto vom Typenschild Ihres Gerätes) schreiben oder eine Ersatzteilanfrage stellen.

Ersatzteile für Rasentraktor Massey Ferguson MF 41-22 RD aus der Zeichnung Heckplatte:
Artikel 1 - 20 von 39

5,88 € *
Lieferzeit: 2 - 10 Werktage
10,40 € *
Lieferzeit: 2 - 10 Werktage

Artikel 1 - 20 von 39