Hebel Aushebung

Zeichnung für Zubehör Garten- und Rasentraktoren Schneefräse für GT Modelle (42"/107cm) mit der Geräte-Artikelnr. OEM-190-032 ab Baujahr 2014:

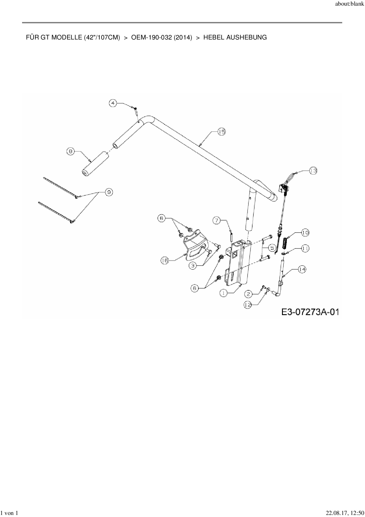
Zeichnung Hebel Aushebung

Die Ersatzteil-Zeichnung für Schneefräse Zubehör Garten- und Rasentraktoren für GT Modelle (42"/107cm) als Download:
Download Ersatzteil-Zeichnung Zubehör Garten- und Rasentraktoren für GT Modelle (42"/107cm) Zeichnung Hebel Aushebung (PDF-Format)
Download Ersatzteil-Zeichnung Zubehör Garten- und Rasentraktoren für GT Modelle (42"/107cm) Zeichnung Hebel Aushebung (JPG-Format)

Sollten Sie Fragen zu einem Ersatzteil haben, können Sie uns gerne eine E-Mail (mit einem Foto vom Typenschild Ihres Gerätes) schreiben oder eine Ersatzteilanfrage stellen.

Ersatzteile für Schneefräse Zubehör Garten- und Rasentraktoren für GT Modelle (42"/107cm) aus der Zeichnung Hebel Aushebung:
Artikel 1 - 10 von 10


Artikel 1 - 10 von 10