Haube (1/2)

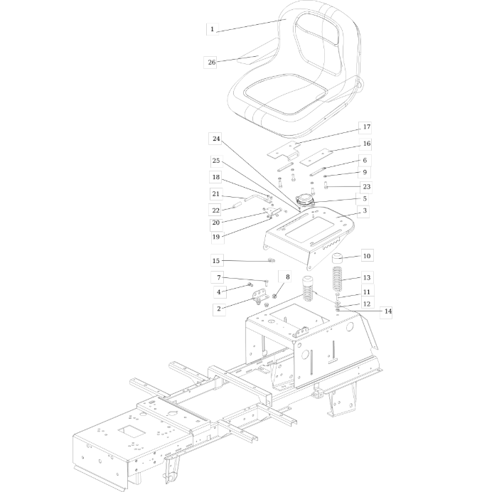
Zeichnung EFCO Rasentraktor EF 106/24 KH 4X4 (K2400AVD V-twin) Cat. 2017:

Zeichnung 1

Sollten Sie Fragen zu einem Ersatzteil haben, können Sie uns gerne eine Ersatzteilanfrage stellen.

Hier finden Sie alle Ersatzteile für EFCO Rasentraktor EF 106/24 KH 4X4 (K2400AVD V-twin) Cat. 2017 aus der Zeichnung Haube (1/2):
Artikel 1 - 19 von 19


Artikel 1 - 19 von 19