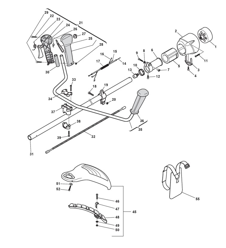
Handantrieb

Zeichnung von Castelgarden Benzin Freischneider XB 28 D (282821003/05) ab 2007:

Klicken Sie auf diese Zeichnung

Sollten Sie Fragen zu einem Ersatzteil haben, können Sie uns gerne eine Ersatzteilanfrage stellen.

Hier finden Sie alle Ersatzteile von Castelgarden Benzin Freischneider XB 28 D (282821003/05) ab 2007 aus der Zeichnung Handantrieb:
Artikel 1 - 20 von 40


Artikel 1 - 20 von 40