Handantrieb

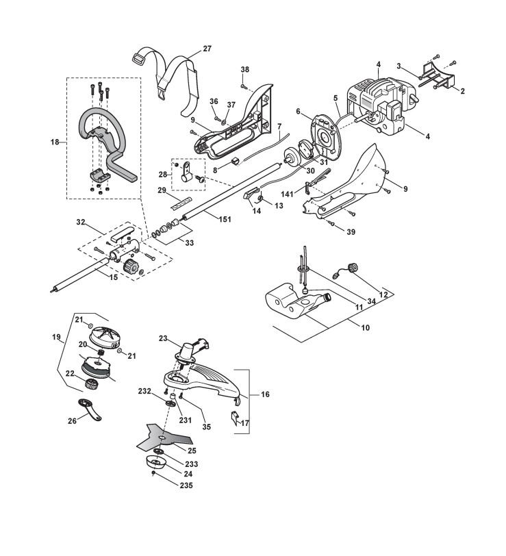
Zeichnung von Castelgarden Benzin Freischneider XB 242 D (282010011/04) ab 2005:

Klicken Sie auf diese Zeichnung

Sollten Sie Fragen zu einem Ersatzteil haben, können Sie uns gerne eine Ersatzteilanfrage stellen.

Hier finden Sie alle Ersatzteile von Castelgarden Benzin Freischneider XB 242 D (282010011/04) ab 2005 aus der Zeichnung Handantrieb:
Artikel 1 - 20 von 20


Artikel 1 - 20 von 20