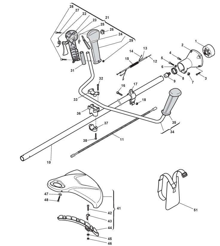
Handantrieb

Zeichnung von Castelgarden Benzin Freischneider G 429 (282821006/05) ab 2009:

Klicken Sie auf diese Zeichnung

Sollten Sie Fragen zu einem Ersatzteil haben, können Sie uns gerne eine Ersatzteilanfrage stellen.

Hier finden Sie alle Ersatzteile von Castelgarden Benzin Freischneider G 429 (282821006/05) ab 2009 aus der Zeichnung Handantrieb:
Artikel 1 - 10 von 35