Handantrieb

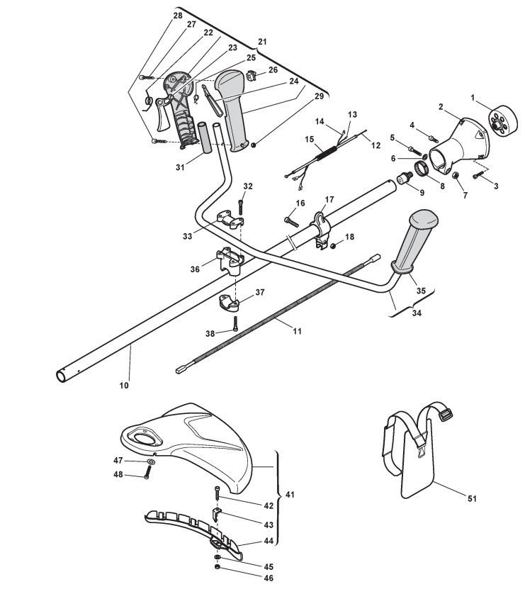
Zeichnung von Castelgarden Benzin Freischneider G 428 (282820006/07) ab 2007:

Klicken Sie auf diese Zeichnung

Sollten Sie Fragen zu einem Ersatzteil haben, können Sie uns gerne eine Ersatzteilanfrage stellen.

Hier finden Sie alle Ersatzteile von Castelgarden Benzin Freischneider G 428 (282820006/07) ab 2007 aus der Zeichnung Handantrieb:
Artikel 1 - 20 von 35


Artikel 1 - 20 von 35