Handantrieb

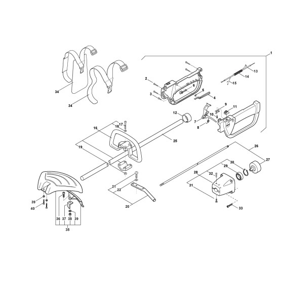
Zeichnung von Castelgarden Benzin Freischneider BC 250 (282520001/X) ab 2004:

Klicken Sie auf diese Zeichnung

Sollten Sie Fragen zu einem Ersatzteil haben, können Sie uns gerne eine Ersatzteilanfrage stellen.

Hier finden Sie alle Ersatzteile von Castelgarden Benzin Freischneider BC 250 (282520001/X) ab 2004 aus der Zeichnung Handantrieb:
Artikel 1 - 20 von 27


Artikel 1 - 20 von 27