Handantrieb

Zeichnungen von Alpina Rasentrimmer/Freischneider POWER 55 DP mit Geräte Nr. 285621001/05 ab Baujahr 2012

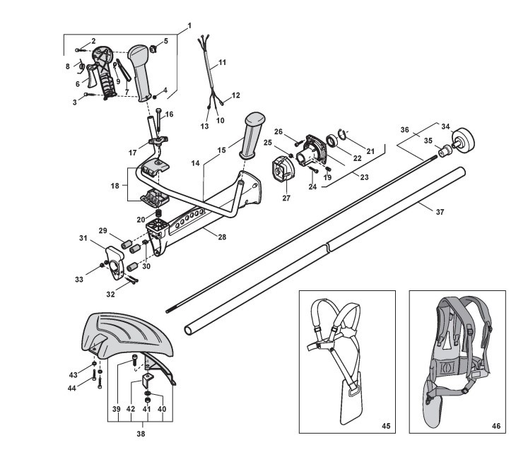
Zeichnung


Beachten Sie bitte, dass die Gerätebezeichnung Alpina Rasentrimmer/Freischneider POWER 55 DP, das Baujahr ab 2012 und die Geräte Nr. 285621001/05 lauten muss, denn nur so kann sichergestellt werden, dass das Ersatzteil passt.
Hier finden Sie alle Ersatzteile von Alpina Rasentrimmer/Freischneider POWER 55 DP (285621001/05) ab Bj. 2012:
Artikel 1 - 20 von 37


Artikel 1 - 20 von 37